Toro 57204 - 32" Lawn Tractor, 1970 (0000001-0999999) MODEL 610689A MAGNETO ASSEMBLY (RECOIL) Ersatzteile
MODEL 610689A MAGNETO ASSEMBLY (RECOIL) 57204 - Toro 32" Lawn Tractor, 1970 (0000001-0999999)

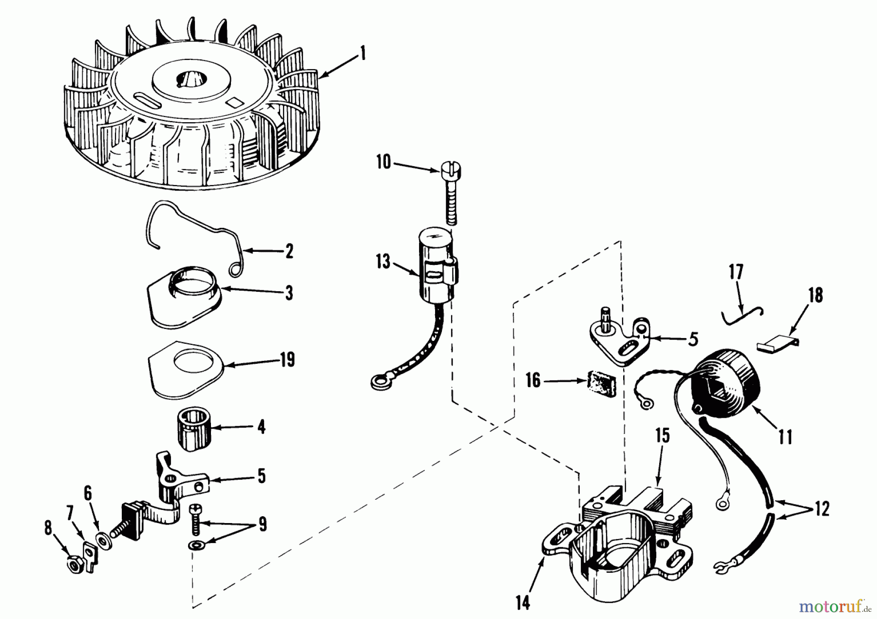
Hier finden Sie die Ersatzteilzeichnung für Toro Neu Mowers, Lawn & Garden Tractor Seite 1 57204 - Toro 32" Lawn Tractor, 1970 (0000001-0999999) MODEL 610689A MAGNETO ASSEMBLY (RECOIL). Wählen Sie das benötigte Ersatzteil aus der Ersatzteilliste Ihres Toro Gerätes aus und bestellen Sie einfach online. Viele Toro Ersatzteile halten wir ständig in unserem Lager für Sie bereit.


Qualitätsmanagement
Informieren Sie uns, wenn Sie einen Fehler gefunden haben.

