Toro 57204 - 32" Lawn Tractor, 1970 (0000001-0999999) ELECTRICAL DIAGRAM Ersatzteile
ELECTRICAL DIAGRAM 57204 - Toro 32" Lawn Tractor, 1970 (0000001-0999999)

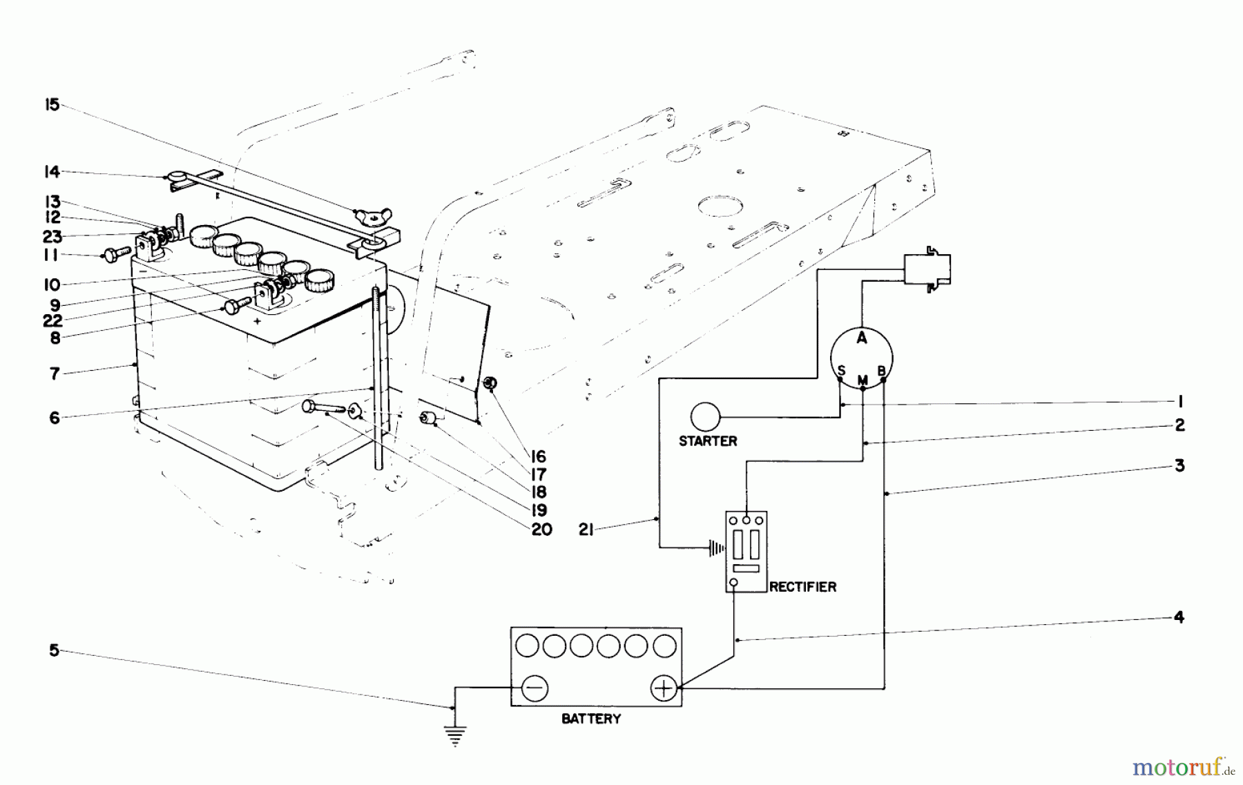
Hier finden Sie die Ersatzteilzeichnung für Toro Neu Mowers, Lawn & Garden Tractor Seite 1 57204 - Toro 32" Lawn Tractor, 1970 (0000001-0999999) ELECTRICAL DIAGRAM. Wählen Sie das benötigte Ersatzteil aus der Ersatzteilliste Ihres Toro Gerätes aus und bestellen Sie einfach online. Viele Toro Ersatzteile halten wir ständig in unserem Lager für Sie bereit.
| BildNr | Artikel Nummer | Bezeichnung | |
| 1 | TR7-4081 | ||
| 2 | TR7-5220 | ||
| 3 | TR7-4082 | ||
| 4 | TR7-4083 | ||
| 5 | TR7-4080 | ||
| 6 | TR7-3328 | Bolzen | |
| 7 | TR26-7290 | DISCONTINUED | |
| 8 | TR322-3 | Schraube | |
| 9 | TR3253-24 | WASHER-LOCK/SP | |
| 10 | TR3217-6 | NUT-HEX | |
| 11 | ![]() | TR321-4 | Schraube |
| 12 | TR3253-3 | Federring | |
| 13 | TR3217-5 | Mutter | |
| 14 | TR7-5000 | DISCONTINUED | |
| 15 | TR32103-12 | MUTTER | |
| 16 | TR32152-4S | ||
| 17 | TR7-4332 | ||
| 18 | TR7-3315 | GRILLE HINGE SPACER | |
| 19 | TR3-7501 | Scheibe | |
| 20 | TR321-9 | SCREW-HH | |
| 21 | TR7-5230 | DISCONTINUED | |
| 22 | TR3256-3 | Scheibe | |
| 23 | TR3256-22 | Scheibe | |




