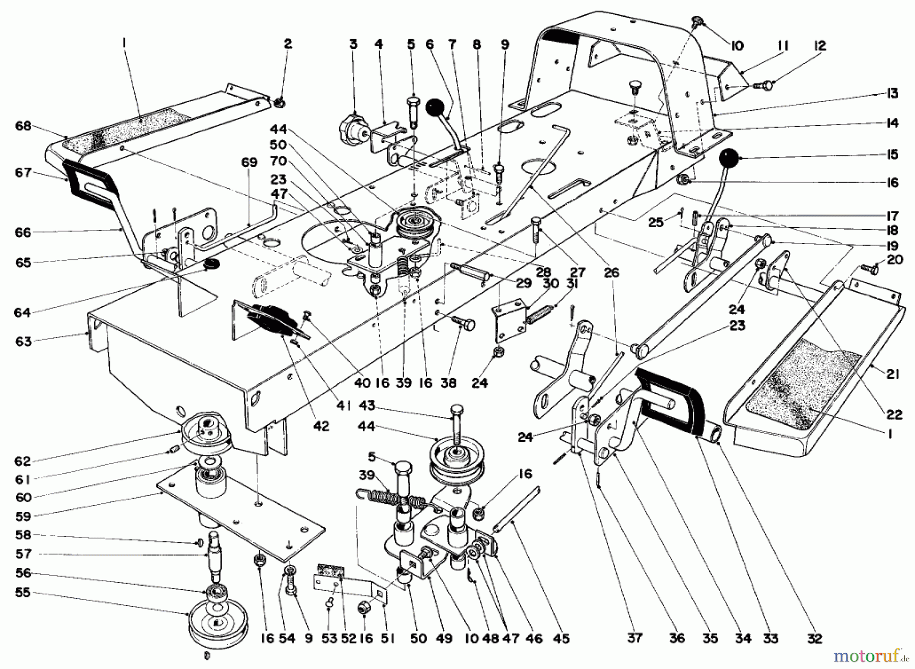
Toro 57111 - 32" Lawn Tractor, 1971 (1000001-1999999) FRAME ASSEMBLY Ersatzteile
FRAME ASSEMBLY 57111 - Toro 32" Lawn Tractor, 1971 (1000001-1999999)

Hier finden Sie die Ersatzteilzeichnung für Toro Neu Mowers, Lawn & Garden Tractor Seite 1 57111 - Toro 32" Lawn Tractor, 1971 (1000001-1999999) FRAME ASSEMBLY. Wählen Sie das benötigte Ersatzteil aus der Ersatzteilliste Ihres Toro Gerätes aus und bestellen Sie einfach online. Viele Toro Ersatzteile halten wir ständig in unserem Lager für Sie bereit.



