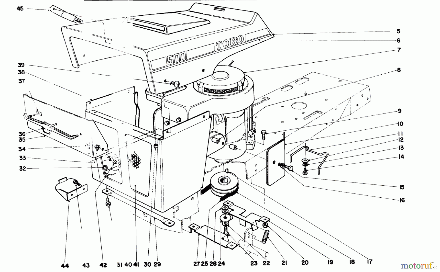
Toro 57054 - 25" Lawn Tractor, 1970 (0000001-0999999) HOOD AND ENGINE ASSEMBLY Ersatzteile
HOOD AND ENGINE ASSEMBLY 57054 - Toro 25" Lawn Tractor, 1970 (0000001-0999999)

Hier finden Sie die Ersatzteilzeichnung für Toro Neu Mowers, Lawn & Garden Tractor Seite 1 57054 - Toro 25" Lawn Tractor, 1970 (0000001-0999999) HOOD AND ENGINE ASSEMBLY. Wählen Sie das benötigte Ersatzteil aus der Ersatzteilliste Ihres Toro Gerätes aus und bestellen Sie einfach online. Viele Toro Ersatzteile halten wir ständig in unserem Lager für Sie bereit.


Qualitätsmanagement
Informieren Sie uns, wenn Sie einen Fehler gefunden haben.

