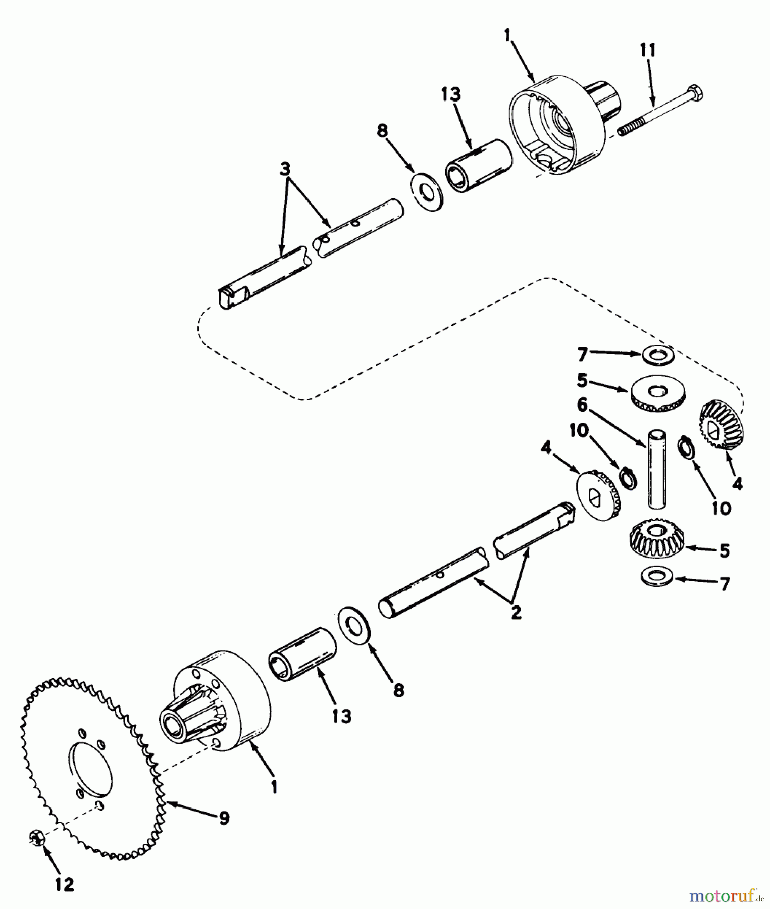
Toro 57050 - 25" Lawn Tractor, 1968 (8000001-8999999) DIFFERENTIAL ASSEMBLY, PART NO. 7-3405 Ersatzteile
DIFFERENTIAL ASSEMBLY, PART NO. 7-3405 57050 - Toro 25" Lawn Tractor, 1968 (8000001-8999999)

Hier finden Sie die Ersatzteilzeichnung für Toro Neu Mowers, Lawn & Garden Tractor Seite 1 57050 - Toro 25" Lawn Tractor, 1968 (8000001-8999999) DIFFERENTIAL ASSEMBLY, PART NO. 7-3405. Wählen Sie das benötigte Ersatzteil aus der Ersatzteilliste Ihres Toro Gerätes aus und bestellen Sie einfach online. Viele Toro Ersatzteile halten wir ständig in unserem Lager für Sie bereit.



