Toro 57043 - 25" Lawn Tractor, 1971 (1000001-1999999) MODEL 352 TRANSMISSION Ersatzteile
MODEL 352 TRANSMISSION 57043 - Toro 25" Lawn Tractor, 1971 (1000001-1999999)

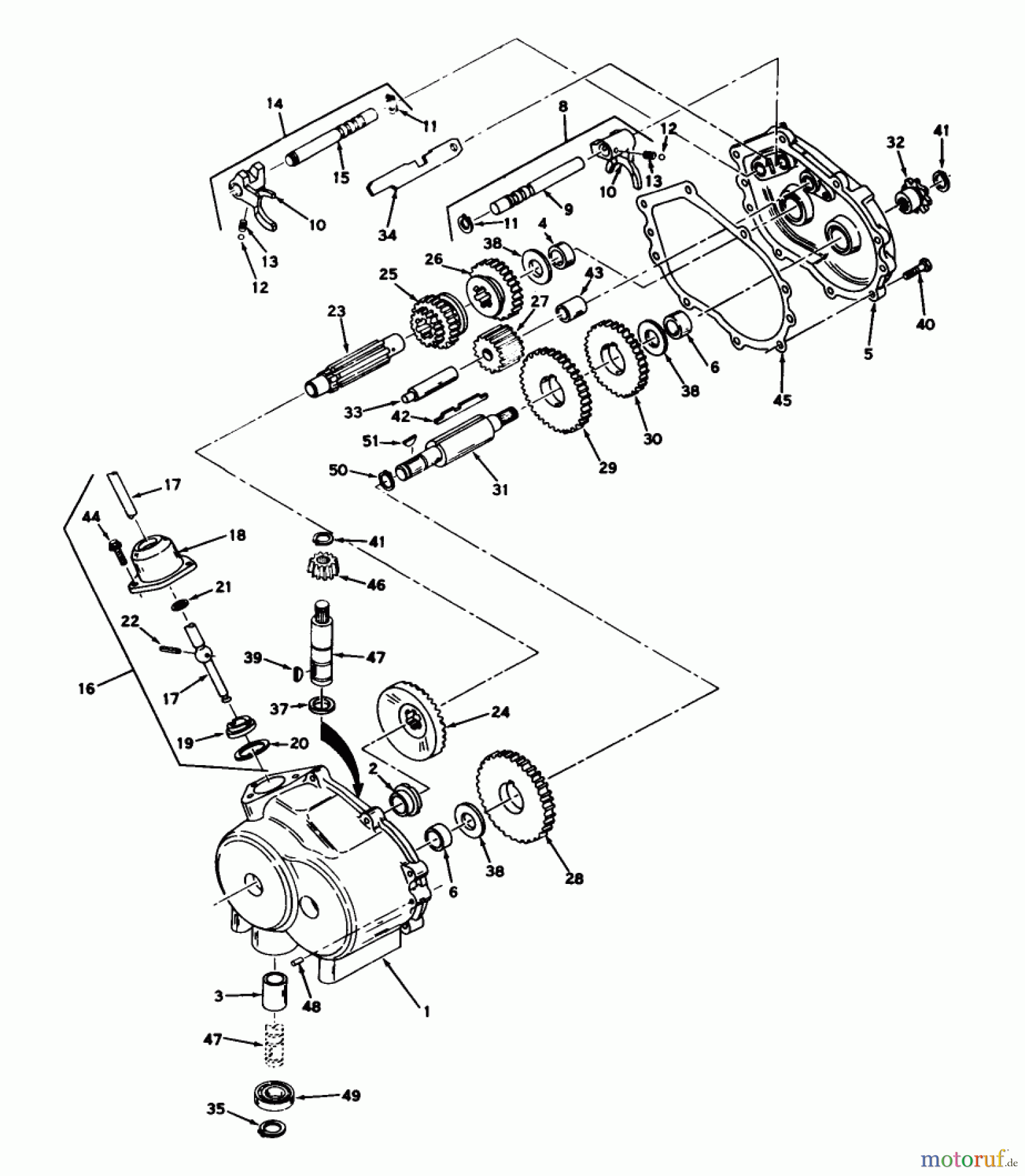
Hier finden Sie die Ersatzteilzeichnung für Toro Neu Mowers, Lawn & Garden Tractor Seite 1 57043 - Toro 25" Lawn Tractor, 1971 (1000001-1999999) MODEL 352 TRANSMISSION. Wählen Sie das benötigte Ersatzteil aus der Ersatzteilliste Ihres Toro Gerätes aus und bestellen Sie einfach online. Viele Toro Ersatzteile halten wir ständig in unserem Lager für Sie bereit.


Qualitätsmanagement
Informieren Sie uns, wenn Sie einen Fehler gefunden haben.


