Toro 57043 - 25" Lawn Tractor, 1971 (1000001-1999999) EXHAUST SYSTEM Ersatzteile
EXHAUST SYSTEM 57043 - Toro 25" Lawn Tractor, 1971 (1000001-1999999)

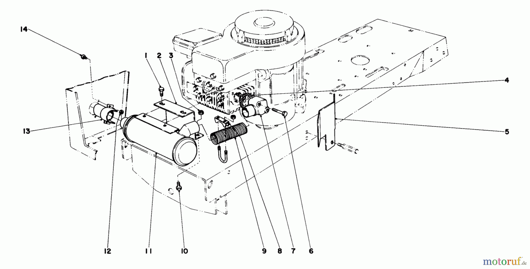
Hier finden Sie die Ersatzteilzeichnung für Toro Neu Mowers, Lawn & Garden Tractor Seite 1 57043 - Toro 25" Lawn Tractor, 1971 (1000001-1999999) EXHAUST SYSTEM. Wählen Sie das benötigte Ersatzteil aus der Ersatzteilliste Ihres Toro Gerätes aus und bestellen Sie einfach online. Viele Toro Ersatzteile halten wir ständig in unserem Lager für Sie bereit.
| BildNr | Artikel Nummer | Bezeichnung | |
| 1 | TR322-1 | Schraube | |
| 2 | TR7-7160 | ||
| 3 | TR32152-1 | Mutter | |
| 4 | TR7-8430 | DISCONTINUED | |
| 5 | TR7-7650 | ||
| 6 | TR7-8850 | DISCONTINUED | |
| 7 | TR7-8760 | DISCONTINUED OBS | |
| 8 | TR5-3179 | DISCONTINUED | |
| 9 | TR7-8700 | DISCONTINUED | |
| 10 | TR322-2 | Schraube | |
| 11 | TR7-7180 | DISCONTINUED | |
| 12 | TR32153-1 | Mutter | |
| 13 | TR7-7070 | ||
| 14 | TR3251-2 | SCHRAUBE | |



