Einstellungen Computer

Toro 57002 - 25" Lawn Tractor, 1969 (9000001-9999999) ENGINE MODEL SERIES 130902 Ersatzteile

ENGINE MODEL SERIES 130902 57002 - Toro 25" Lawn Tractor, 1969 (9000001-9999999)

 Toro Neu Mowers, Lawn & Garden Tractor Seite 1 57002 - Toro 25

Hier finden Sie die Ersatzteilzeichnung für Toro Neu Mowers, Lawn & Garden Tractor Seite 1 57002 - Toro 25" Lawn Tractor, 1969 (9000001-9999999) ENGINE MODEL SERIES 130902. Wählen Sie das benötigte Ersatzteil aus der Ersatzteilliste Ihres Toro Gerätes aus und bestellen Sie einfach online. Viele Toro Ersatzteile halten wir ständig in unserem Lager für Sie bereit.

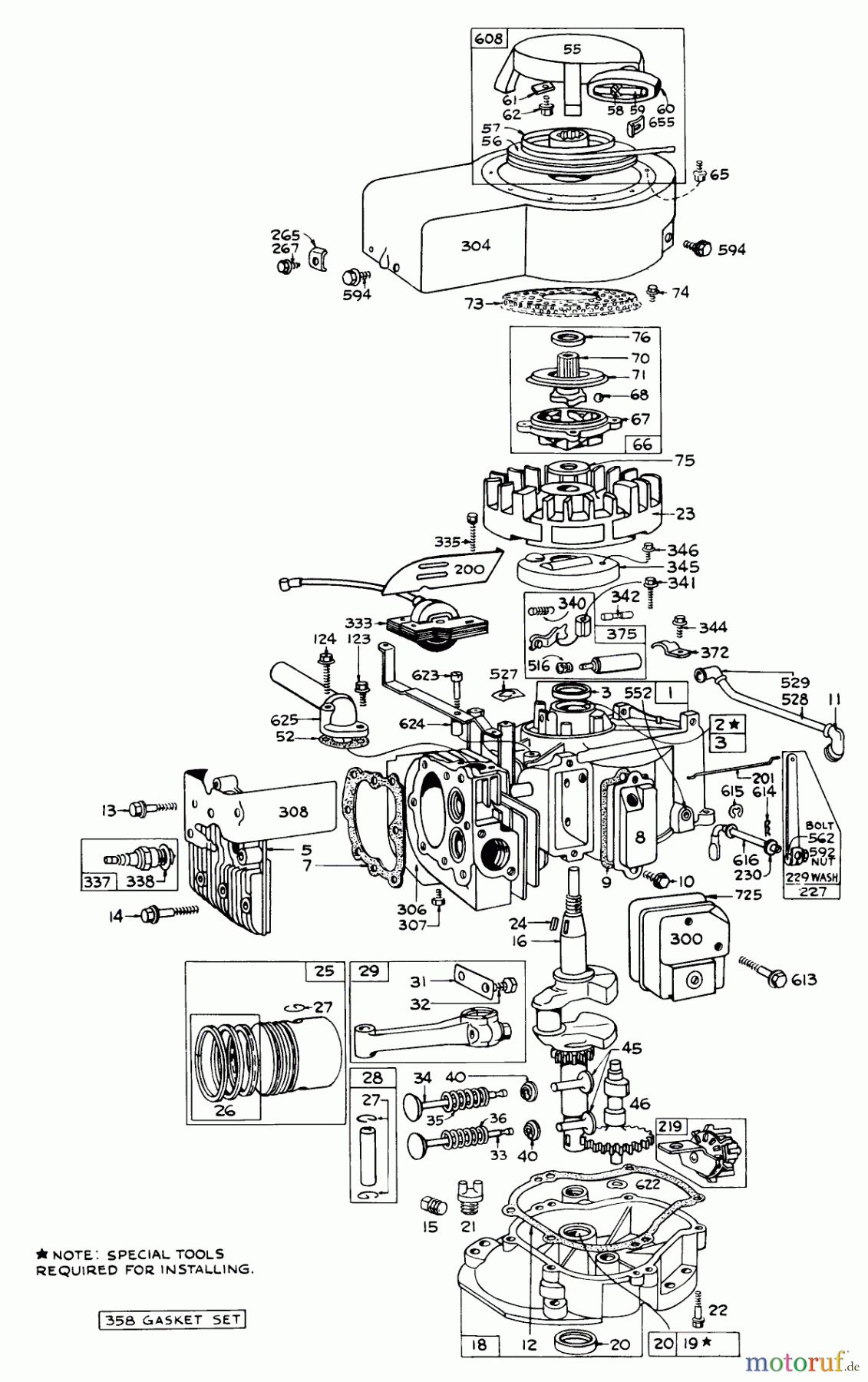
BildNrArtikel NummerBezeichnung
1 TR299446
2 BS297565ZYLINDERBUECHSE
3 BS89660
5 BS211542VERWEIS-NR. 691716
7 BS272157VERWEIS ZU
8 BS495758ENTLUEFTER
9 BS27549SVENTILDECKELDICHTUNG
10 BS94621
11 BS67738SCHUTZKAPPE
12 BS270069DICHTUNG-KURBELGEH.
BS270122DICHTUNG-KURBELGEH.
BS270123DICHTUNG-KURBELGEH.
13 BS94221
14 BS94679
15 BS94239
16 BS397109KURBELWELLE 260936
18 BS297587OELWANNE
19 BS297604BUECHSE
20 BS294167
21 BS281658VERWEIS ZU
22 BS94607
23 BS297229VERWEIS ZU
24 BS61760
25 BS793214KOLBEN KOMPLETT
BS298905KOLBEN 010
BS298906KOLBEN 020
BS298907KOLBEN 030
26 BS298982KOLBENRINGSATZ
TR211468
TR211469
BS298983KOLBENRINGSATZ 010
TR211503
TR211505
BS298984KOLBENRINGSATZ 020
TR211506
TR211508
BS298985KOLBENRINGSATZ 030
TR211510
TR211512
27 BS691588KOLBENBOLZENSICHERUNG
28 BS298909KOLBENBOLZEN 291925
BS298908KOLBENBOLZEN 291926
29 BS299429PLEUELSTANGE
31 BS221876PLEUELSICHERUNG
32 BS691664PLEUELSCHRAUBE
33 BS211119SAUSLASSVENTIL
34 BS260961EINL-VENTIL 260641
35 TR260S52
36 BS692180FEDER
40 BS692194HALTER
45 BS690509VENTILSTOESSEL
46 TR211590
52 BS270070DICHTUNG
55 BS299431STARTERGEHAUESE
56 BS295871SEILSCHEIBE
57 BS490179STARTERFEDER 294303
58 BS66564STARTERSEIL
59 BS230228SSTIFT 230074
60 BS490652STARTERGRIFF
61 BS68848SGLEITRING
62 BS93254SCHRAUBE
65 BS94386
66 BS298310VERWEIS ZU
67 BS211383
68 BS691604KUGEL F.STARTER 230617
70 BS298799VERWEIS ZU
71 Toro ABDECKSCHEIBEBS691359ABDECKSCHEIBE
73 BS221923SIEB
344 BS691078SCHRAUBE
75 BS224061VERWEIS ZU
76 BS68238
123 BS93512SCHRAUBE
124 BS93367SCHRAUBE
200 BS223886VERWEIS ZU
201 BS260649REGLERGESTAENGE
219 BS496062REGLER + SCHLEUDER
227 BS297583REGLERHEBEL
229 BS690390UNTERLEGSCHEIBE
230 BS221559SCHEIBE
265 BS692179KLEMME
267 BS94694
300 BS493936VERWEIS ZU
304 TR299332
306 BS223804LEITBLECH
344 BS93042
308 BS221452ZYLINDERKOPFDECKEL
333 BS697037ZUENDSPULE
335 BS691621SCHRAUBE 93215
337 BS298809VERWEIS ZU
338 TR29806
340 BS26018FEDER-HEBEL
341 BS94731
342 BS65704SKONTAKTSTIFT
344 BS93042
345 BS220366UNTERBRECHERDECKEL
346 BS93014
358 BS496659DICHTUNGSATZ
372 BS220477KONDENSATORKLEMME
375 Toro UNTERBRECHER 292589BS294628UNTERBRECHER 292589
516 BS260374FEDER
527 BS93376KLEMME
528 BS230717ENTLUEFTERROHR
529 BS67608KNIESTUECK
552 BS230735BUECHSE
562 BS92613BOLZEN
592 BS690276MUTTER
594 TR903559
608 TR299334
613 BS93377SCHRAUBE
614 BS691620SPLINT
615 BS93307HALTER
616 BS230714REGLERWINKEL
622 BS260676SCHEIBE
623 TR93566
624 BS297252HEBEL
625 BS297254ANSAUGKRUEMMER
655 BS221014FEDERHALTER
725 BS221885SCHUTZBLECH
Rasen
Bankeinzug, MasterCard, Visa, American Express, PayPal, Nachnahme, Vorauskasse, Sofortüberweisung
Datenschutzerklärung Impressum
Qualitätsmanagement
Informieren Sie uns, wenn Sie einen Fehler gefunden haben.