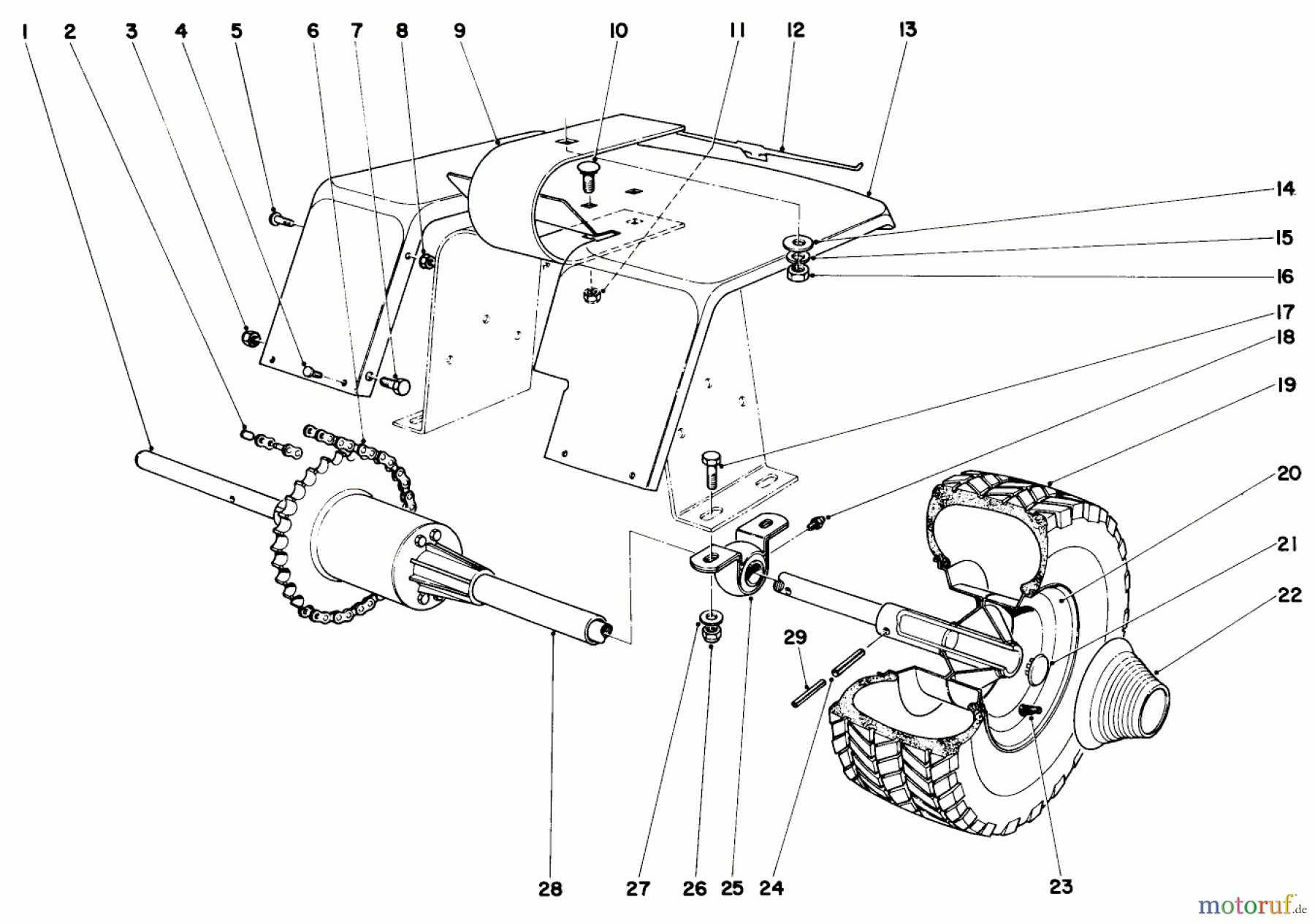
Toro 57002 - 25" Lawn Tractor, 1969 (9000001-9999999) 905 AND 910 REAR AXLE ASSEMBLY Ersatzteile
905 AND 910 REAR AXLE ASSEMBLY 57002 - Toro 25" Lawn Tractor, 1969 (9000001-9999999)

Hier finden Sie die Ersatzteilzeichnung für Toro Neu Mowers, Lawn & Garden Tractor Seite 1 57002 - Toro 25" Lawn Tractor, 1969 (9000001-9999999) 905 AND 910 REAR AXLE ASSEMBLY. Wählen Sie das benötigte Ersatzteil aus der Ersatzteilliste Ihres Toro Gerätes aus und bestellen Sie einfach online. Viele Toro Ersatzteile halten wir ständig in unserem Lager für Sie bereit.
| BildNr | Artikel Nummer | Bezeichnung | |
| 1 | TR7-3692 | ||
| 2 | TR2710-6 | Kettenschloss | |
| 3 | TR32152-1S | ||
| 4 | TR3290-111 | Schraube | |
| 5 | TR329_111 | ||
| 6 | TR7-3870 | Kette | |
| 7 | TR322-3 | Schraube | |
| 8 | TR32149-7 | Mutter | |
| 9 | TR7-3674 | ||
| 10 | ![]() | TR3231-2 | Schraube |
| 11 | TR32152-2S | ||
| 12 | TR7-3908 | ||
| 13 | TR7-3745 | ||
| 14 | TR3256-26 | WASHER-FLAT | |
| 15 | TR3253-7 | Federring | |
| 16 | TR3218-5 | Mutter | |
| TR32152-3S | |||
| 17 | TR323-4 | Schraube | |
| 18 | ![]() | TR302-5 | Schmiernippel |
| 19 | TR7-4296 | ||
| TR7-3774 | DISCONTINUED XREF | ||
| TR231-49S | |||
| 20 | TR217-70S | ||
| 21 | TR241011 | 707440 | |
| 22 | TR7-3933 | ||
| 23 | TR232-27S | ||
| 24 | TR32121-9 | Stift | |
| 25 | TR7-3770 | PILLOW BLOCK | |
| 26 | TR32152-2S | ||
| 27 | TR3256-4 | WASHER-FLAT | |
| 28 | TR7-3877 | ||
| 29 | TR32121-51 | Stift | |





