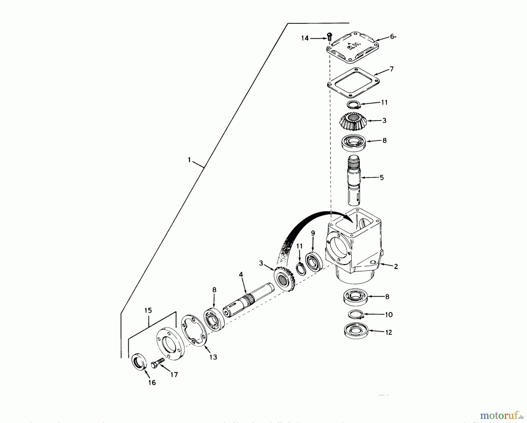
Toro 55302 (950) - 950 Suburban Lawn Tractor, 1971 (1000001-1999999) RIGHT ANGLE GEAR BOX ASSEMBLY MODEL P1487-P91 Ersatzteile
RIGHT ANGLE GEAR BOX ASSEMBLY MODEL P1487-P91 55302 (950) - Toro 950 Suburban Lawn Tractor, 1971 (1000001-1999999)

Hier finden Sie die Ersatzteilzeichnung für Toro Neu Mowers, Lawn & Garden Tractor Seite 1 55302 (950) - Toro 950 Suburban Lawn Tractor, 1971 (1000001-1999999) RIGHT ANGLE GEAR BOX ASSEMBLY MODEL P1487-P91. Wählen Sie das benötigte Ersatzteil aus der Ersatzteilliste Ihres Toro Gerätes aus und bestellen Sie einfach online. Viele Toro Ersatzteile halten wir ständig in unserem Lager für Sie bereit.



