Toro 55302 (950) - 950 Suburban Lawn Tractor, 1970 (0000001-0999999) HOOD & GRILLE ASSEMBLY Ersatzteile
HOOD & GRILLE ASSEMBLY 55302 (950) - Toro 950 Suburban Lawn Tractor, 1970 (0000001-0999999)

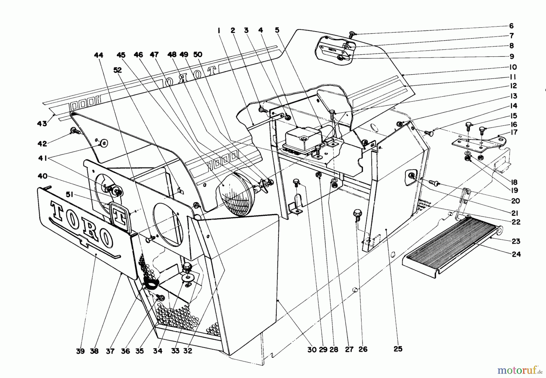
Hier finden Sie die Ersatzteilzeichnung für Toro Neu Mowers, Lawn & Garden Tractor Seite 1 55302 (950) - Toro 950 Suburban Lawn Tractor, 1970 (0000001-0999999) HOOD & GRILLE ASSEMBLY. Wählen Sie das benötigte Ersatzteil aus der Ersatzteilliste Ihres Toro Gerätes aus und bestellen Sie einfach online. Viele Toro Ersatzteile halten wir ständig in unserem Lager für Sie bereit.
| BildNr | Artikel Nummer | Bezeichnung | |
| 1 | TR7-3825 | ||
| 2 | TR3274-31S | ||
| 3 | TR32152-4S | ||
| 4 | TR218-334S | ||
| 5 | TR218-335S | ||
| 6 | TR3258-157S | ||
| 7 | TR3256-16S | ||
| 8 | TR7-3326 | ||
| 9 | TR32152-4S | ||
| 10 | TR7-3246 | ||
| 11 | TR7-6680 | ||
| TR7-6700 | |||
| 12 | TR321-2 | Schraube | |
| 13 | TR32152-4S | ||
| 14 | TR3229-11 | SCREW-CARR | |
| 15 | TR323-6 | Schraube | |
| 16 | TR323-4 | Schraube | |
| 17 | TR7-0463 | ||
| 18 | TR3256-3 | Scheibe | |
| 19 | TR32152-2S | ||
| 20 | TR3274-32S | ||
| 21 | TR32152-1S | ||
| 22 | TR37938 | 743046 | |
| 23 | TR7-3262 | ||
| 24 | TR7-3273 | ||
| 25 | TR7-3857 | ||
| 26 | TR32140-61S | ||
| 27 | TR3256-2 | Scheibe | |
| 28 | TR32152-4S | ||
| 29 | TR32140-45 | Schraube | |
| 30 | TR7-3850 | ||
| 32 | TR32149-8S | ||
| 33 | TR32140-61S | ||
| 34 | TR7-0532 | ||
| 35 | TR7-3854 | ||
| 36 | TR32104-84S | ||
| 37 | TR7-3834 | ||
| 38 | TR7-3847 | ||
| 39 | TR7-3978 | ||
| 40 | TR32152-1S | ||
| 41 | TR7-0533 | ||
| 42 | TR3274-32S | ||
| 43 | TR7-6670 | ||
| TR7-6690 | |||
| 44 | TR3251-4 | Schraube | |
| 45 | TR7-1646 | Scheinwerfer | |
| 46 | TR7-3501 | ||
| 47 | TR7-3505 | ||
| 48 | TR3253-12 | WASHER-LOCK/SP | |
| 49 | TR3217-26 | Mutter | |
| 50 | TR7-4306 | ||
| 51 | TR7-5400 | ||
| 52 | TR3290-275 | ||



