Einkaufswagen
Mein Konto

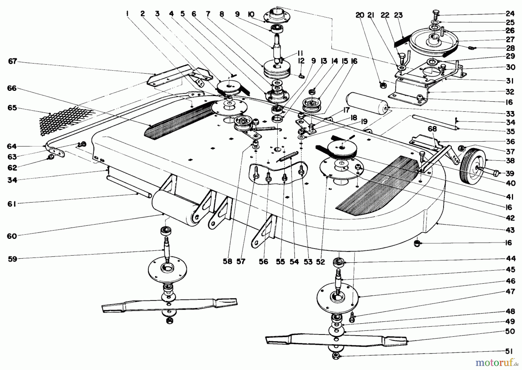
Toro 55302 (950) - 950 Suburban Lawn Tractor, 1969 (9000001-9999999) 42" MOWER DECK ASSEMBLY (CONT-D) Ersatzteile

42" MOWER DECK ASSEMBLY (CONT-D) 55302 (950) - Toro 950 Suburban Lawn Tractor, 1969 (9000001-9999999)

 Toro Neu Mowers, Lawn & Garden Tractor Seite 1 55302 (950) - Toro 950 Suburban Lawn Tractor, 1969 (9000001-9999999) 42

Hier finden Sie die Ersatzteilzeichnung für Toro Neu Mowers, Lawn & Garden Tractor Seite 1 55302 (950) - Toro 950 Suburban Lawn Tractor, 1969 (9000001-9999999) 42" MOWER DECK ASSEMBLY (CONT-D). Wählen Sie das benötigte Ersatzteil aus der Ersatzteilliste Ihres Toro Gerätes aus und bestellen Sie einfach online. Viele Toro Ersatzteile halten wir ständig in unserem Lager für Sie bereit.

Rasen
Bankeinzug, MasterCard, Visa, American Express, PayPal, Nachnahme, Vorauskasse, Sofortüberweisung
Qualitätsmanagement
Informieren Sie uns, wenn Sie einen Fehler gefunden haben.