Toro 55275 (888) - 888 matic Tractor, 1972 (2000001-2999999) EXHAUST ASSEMBLY Ersatzteile
EXHAUST ASSEMBLY 55275 (888) - Toro 888 Toromatic Tractor, 1972 (2000001-2999999)

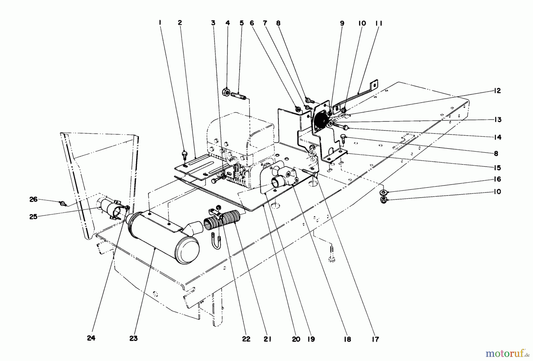
Hier finden Sie die Ersatzteilzeichnung für Toro Neu Mowers, Lawn & Garden Tractor Seite 1 55275 (888) - Toro 888 Toromatic Tractor, 1972 (2000001-2999999) EXHAUST ASSEMBLY. Wählen Sie das benötigte Ersatzteil aus der Ersatzteilliste Ihres Toro Gerätes aus und bestellen Sie einfach online. Viele Toro Ersatzteile halten wir ständig in unserem Lager für Sie bereit.
| BildNr | Artikel Nummer | Bezeichnung | |
| 1 | TR322-1 | Schraube | |
| 2 | TR7-7870 | ||
| 3 | TR3253-4 | Federring | |
| 4 | TR7-8720 | ||
| 5 | TR289-36 | Nippel | |
| 6 | ![]() | TR32153-2 | NUT-LOCK, SIDE |
| 7 | TR32122-30 | Schraube | |
| 8 | TR322-3 | Schraube | |
| 9 | TR32153-1 | Mutter | |
| 10 | TR32152-1 | Mutter | |
| 11 | TR7-7470 | ||
| 12 | TR7-6990 | ||
| 13 | ![]() | TR3256-24 | WASHER-FLAT |
| 14 | TR323-9 | Schraube | |
| 15 | TR7-7480 | ||
| 16 | TR3256-3 | Scheibe | |
| 17 | TR7-8850 | DISCONTINUED | |
| 18 | TR7-8760 | DISCONTINUED OBS | |
| 19 | TR7-8970 | ||
| 20 | TR7-7590 | ||
| 21 | TR7-8700 | DISCONTINUED | |
| 22 | TR5-3179 | DISCONTINUED | |
| 23 | TR7-7180 | DISCONTINUED | |
| 24 | TR32153-1 | Mutter | |
| 25 | TR7-7070 | ||
| 26 | TR3251-2 | SCHRAUBE | |





