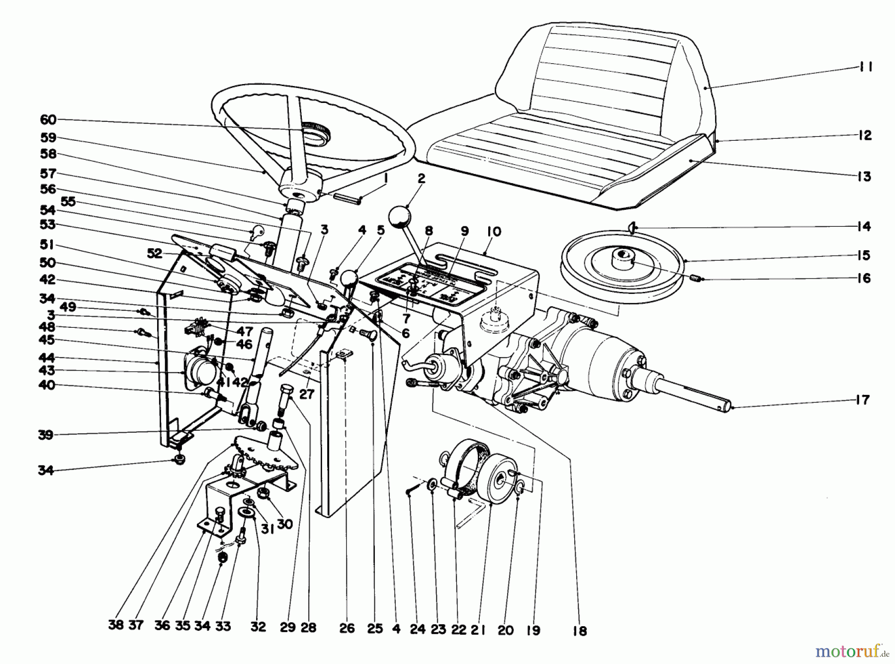
Toro 55233 - 36" Side Discharge Mower, 1973 (3000001-3999999) DASH AND TRANSAXLE ASSEMBLY Ersatzteile
DASH AND TRANSAXLE ASSEMBLY 55233 - Toro 36" Side Discharge Mower, 1973 (3000001-3999999)

Hier finden Sie die Ersatzteilzeichnung für Toro Neu Mowers, Lawn & Garden Tractor Seite 1 55233 - Toro 36" Side Discharge Mower, 1973 (3000001-3999999) DASH AND TRANSAXLE ASSEMBLY. Wählen Sie das benötigte Ersatzteil aus der Ersatzteilliste Ihres Toro Gerätes aus und bestellen Sie einfach online. Viele Toro Ersatzteile halten wir ständig in unserem Lager für Sie bereit.


Qualitätsmanagement
Informieren Sie uns, wenn Sie einen Fehler gefunden haben.


