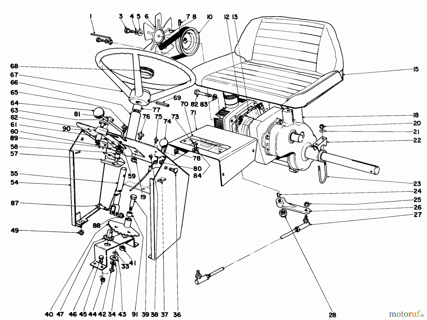
Toro 55152 (888) - 888 matic Tractor, 1970 (0000001-0999999) DASH AND TRANSAXLE ASSEMBLY Ersatzteile
DASH AND TRANSAXLE ASSEMBLY 55152 (888) - Toro 888 Toromatic Tractor, 1970 (0000001-0999999)

Hier finden Sie die Ersatzteilzeichnung für Toro Neu Mowers, Lawn & Garden Tractor Seite 1 55152 (888) - Toro 888 Toromatic Tractor, 1970 (0000001-0999999) DASH AND TRANSAXLE ASSEMBLY. Wählen Sie das benötigte Ersatzteil aus der Ersatzteilliste Ihres Toro Gerätes aus und bestellen Sie einfach online. Viele Toro Ersatzteile halten wir ständig in unserem Lager für Sie bereit.





