Toro 55152 (888) - 888 matic Tractor, 1970 (0000001-0999999) CHASSIS ASSEMBLY Ersatzteile
CHASSIS ASSEMBLY 55152 (888) - Toro 888 Toromatic Tractor, 1970 (0000001-0999999)

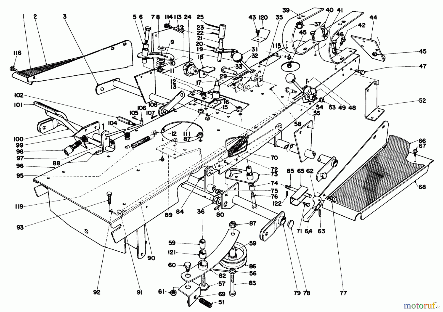
Hier finden Sie die Ersatzteilzeichnung für Toro Neu Mowers, Lawn & Garden Tractor Seite 1 55152 (888) - Toro 888 Toromatic Tractor, 1970 (0000001-0999999) CHASSIS ASSEMBLY. Wählen Sie das benötigte Ersatzteil aus der Ersatzteilliste Ihres Toro Gerätes aus und bestellen Sie einfach online. Viele Toro Ersatzteile halten wir ständig in unserem Lager für Sie bereit.




