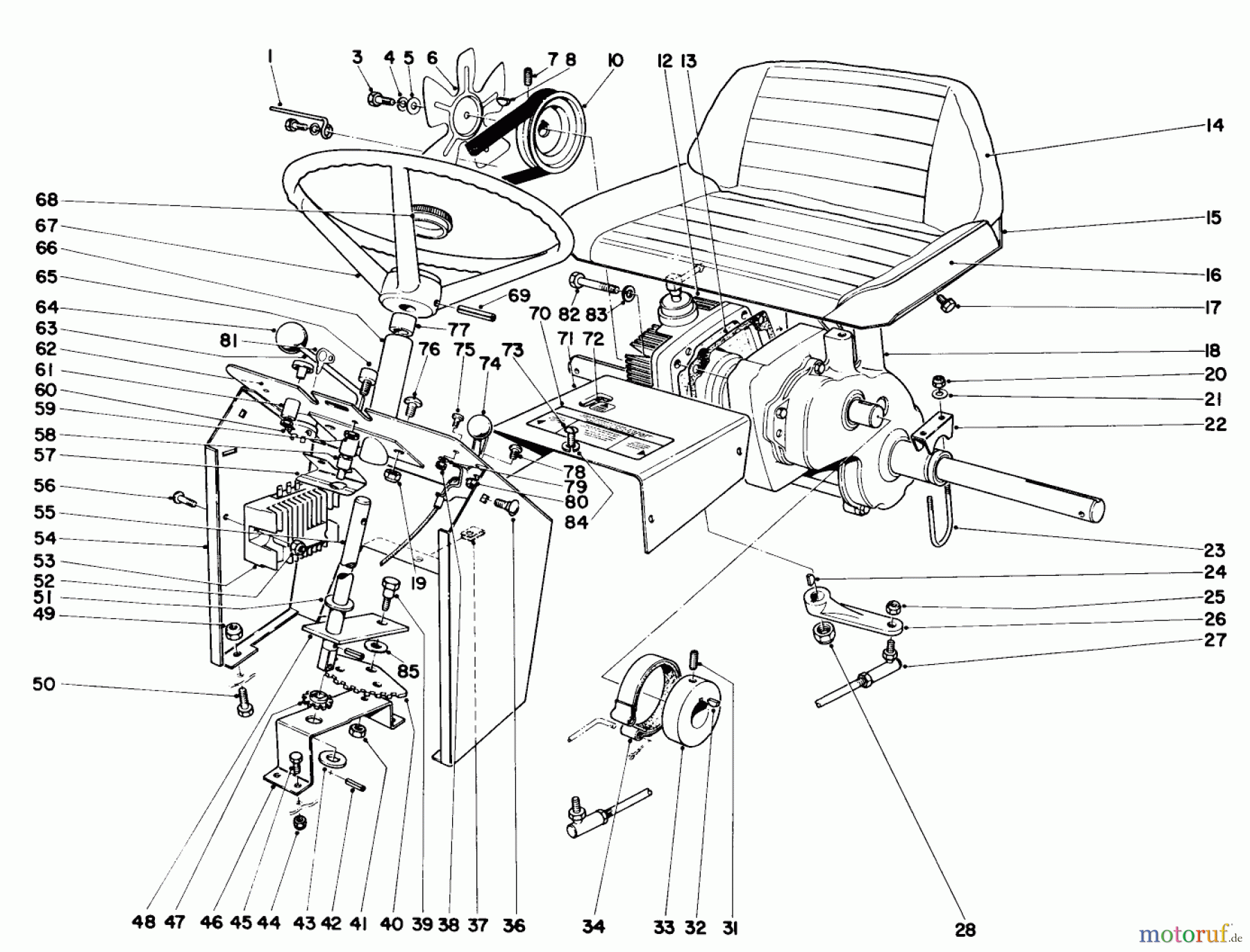
Toro 55150 (940) - 940 Electric Tractor, 1969 (9000001-9999999) 940 DASH AND TRANSAXLE ASSEMBLY Ersatzteile
940 DASH AND TRANSAXLE ASSEMBLY 55150 (940) - Toro 940 Electric Tractor, 1969 (9000001-9999999)

Hier finden Sie die Ersatzteilzeichnung für Toro Neu Mowers, Lawn & Garden Tractor Seite 1 55150 (940) - Toro 940 Electric Tractor, 1969 (9000001-9999999) 940 DASH AND TRANSAXLE ASSEMBLY. Wählen Sie das benötigte Ersatzteil aus der Ersatzteilliste Ihres Toro Gerätes aus und bestellen Sie einfach online. Viele Toro Ersatzteile halten wir ständig in unserem Lager für Sie bereit.





