Toro 55055 (800) - 800 Electric Lawn Tractor, 1971 (1000001-1999999) EXHAUST ASSEMBLY Ersatzteile
EXHAUST ASSEMBLY 55055 (800) - Toro 800 Electric Lawn Tractor, 1971 (1000001-1999999)

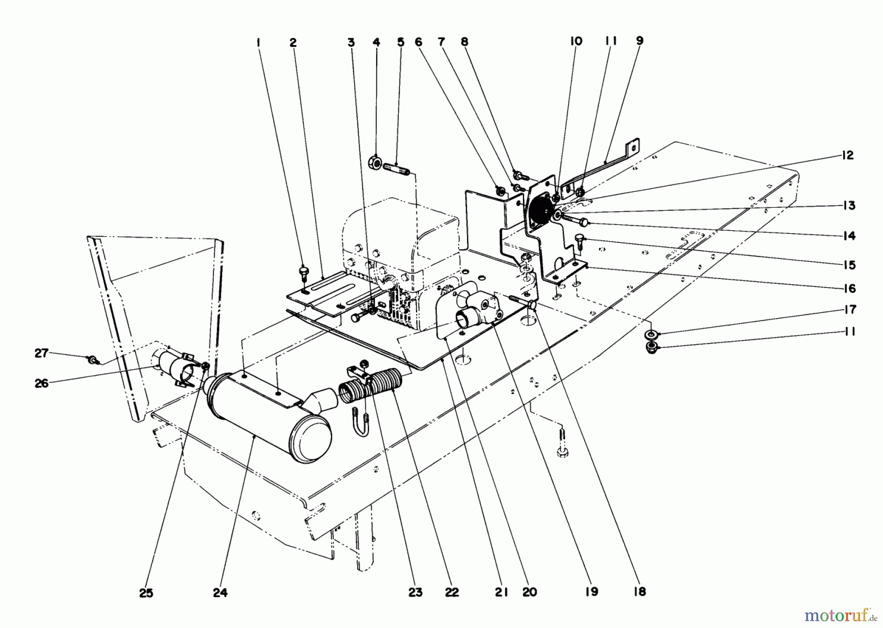
Hier finden Sie die Ersatzteilzeichnung für Toro Neu Mowers, Lawn & Garden Tractor Seite 1 55055 (800) - Toro 800 Electric Lawn Tractor, 1971 (1000001-1999999) EXHAUST ASSEMBLY. Wählen Sie das benötigte Ersatzteil aus der Ersatzteilliste Ihres Toro Gerätes aus und bestellen Sie einfach online. Viele Toro Ersatzteile halten wir ständig in unserem Lager für Sie bereit.
| BildNr | Artikel Nummer | Bezeichnung | |
| 1 | TR322-1 | Schraube | |
| 2 | TR7-7870 | ||
| 3 | TR3253-4 | Federring | |
| 4 | TR7-8720 | ||
| 5 | TR289-36 | Nippel | |
| 6 | ![]() | TR32153-2 | NUT-LOCK, SIDE |
| 7 | TR32122-30 | Schraube | |
| 8 | TR322-3 | Schraube | |
| 9 | TR7-7470 | ||
| 10 | TR32153-1 | Mutter | |
| 11 | TR32152-1 | Mutter | |
| 12 | TR7-6990 | ||
| 13 | ![]() | TR3256-24 | WASHER-FLAT |
| 14 | TR323-9 | Schraube | |
| 15 | TR322-3 | Schraube | |
| 16 | TR7-7480 | ||
| 17 | TR3256-3 | Scheibe | |
| 18 | TR7-8850 | DISCONTINUED | |
| 19 | TR7-8760 | DISCONTINUED OBS | |
| 20 | TR7-8970 | ||
| 21 | TR7-7590 | ||
| 22 | TR7-8700 | DISCONTINUED | |
| 23 | TR5-3179 | DISCONTINUED | |
| 24 | TR7-7180 | DISCONTINUED | |
| 25 | TR32153-1 | Mutter | |
| 26 | TR7-7070 | ||
| 27 | TR3251-2 | SCHRAUBE | |





