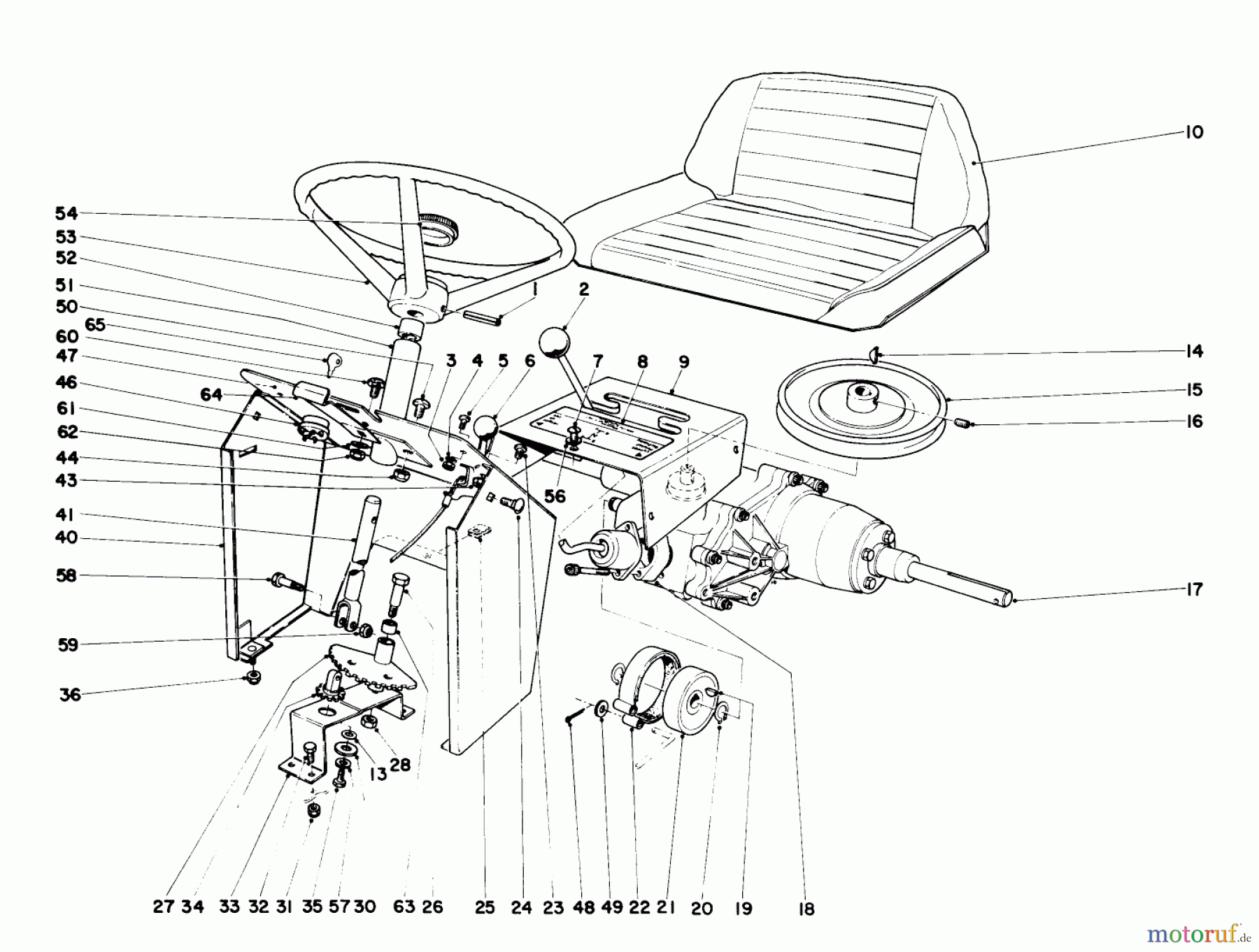
Toro 55003 (800) - 800 Recoil Lawn Tractor, 1970 (0000001-0999999) DASH ASSEMBLY Ersatzteile
DASH ASSEMBLY 55003 (800) - Toro 800 Recoil Lawn Tractor, 1970 (0000001-0999999)

Hier finden Sie die Ersatzteilzeichnung für Toro Neu Mowers, Lawn & Garden Tractor Seite 1 55003 (800) - Toro 800 Recoil Lawn Tractor, 1970 (0000001-0999999) DASH ASSEMBLY. Wählen Sie das benötigte Ersatzteil aus der Ersatzteilliste Ihres Toro Gerätes aus und bestellen Sie einfach online. Viele Toro Ersatzteile halten wir ständig in unserem Lager für Sie bereit.


Qualitätsmanagement
Informieren Sie uns, wenn Sie einen Fehler gefunden haben.



