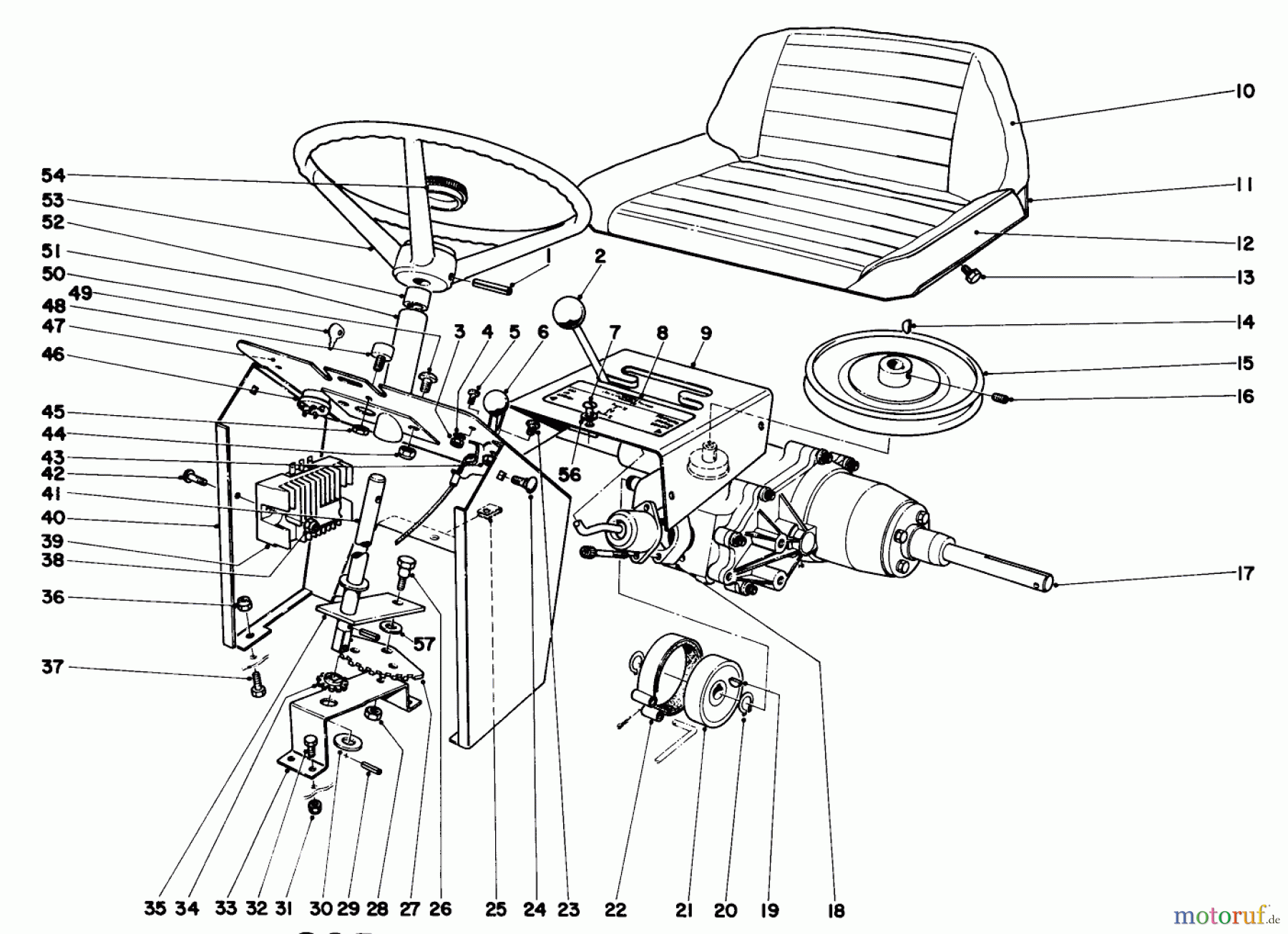
Toro 55002 (935) - 935 Recoil Lawn Tractor, 1969 (9000001-9999999) 935 AND 935E DASH ASSEMBLY Ersatzteile
935 AND 935E DASH ASSEMBLY 55002 (935) - Toro 935 Recoil Lawn Tractor, 1969 (9000001-9999999)

Hier finden Sie die Ersatzteilzeichnung für Toro Neu Mowers, Lawn & Garden Tractor Seite 1 55002 (935) - Toro 935 Recoil Lawn Tractor, 1969 (9000001-9999999) 935 AND 935E DASH ASSEMBLY. Wählen Sie das benötigte Ersatzteil aus der Ersatzteilliste Ihres Toro Gerätes aus und bestellen Sie einfach online. Viele Toro Ersatzteile halten wir ständig in unserem Lager für Sie bereit.
| BildNr | Artikel Nummer | Bezeichnung | |
| 1 | TR32121-78S | ||
| 2 | TR233-21S | ||
| 3 | TR3217-26 | Mutter | |
| 4 | TR3255-17 | Federring | |
| 5 | TR3290-111 | Schraube | |
| 6 | TR7-4100 | ||
| 7 | TR3258-2 | SCREW | |
| 8 | TR7-4123 | ||
| 9 | TR7-4030 | ||
| 10 | TR7-3351 | ||
| 11 | TR7-3871 | ||
| 12 | TR7-3872 | ||
| 13 | TR32140-42 | Schraube | |
| 14 | TR3257-32 | Keil | |
| 15 | TR7-4051 | ||
| 16 | TR3242-13S | ||
| 17 | TR7-4001 | DISCONTINUED OBS | |
| 18 | TR7-4264 | DISCONTINUED OBS | |
| 19 | TR3257-32 | Keil | |
| 20 | TR32120-64 | Ring | |
| 21 | TR7-4218 | ||
| 22 | TR7-4220 | DISCONTINUED | |
| 23 | TR32122-43S | ||
| 24 | TR3229-1 | Schraube | |
| 25 | TR3290-192 | DISCONTINUED | |
| 26 | TR7-4152 | DISCONTINUED | |
| 27 | TR7-4151 | ||
| 28 | ![]() | TR3296-6 | NUT-LOCK |
| 29 | TR32121-34S | ||
| 30 | TR7-4150 | WASHER | |
| 31 | TR32152-1S | ||
| 32 | TR322-3 | Schraube | |
| 33 | TR7-4148 | DISCONTINUED | |
| 34 | TR7-4156 | STEERING PINION | |
| 35 | TR7-4153 | ||
| 36 | TR32152-1S | ||
| 37 | TR322-3 | Schraube | |
| 38 | TR32152-4S | ||
| 39 | TR | ||
| 40 | TR7-4335 | ||
| TR7-4540 | |||
| 41 | TR7-4155 | ||
| 42 | TR3258-157S | ||
| 43 | TR32149-6 | NUT-KEPS | |
| 44 | TR32152-1S | ||
| 45 | TR32152-4S | ||
| 46 | TR7-4630 | ||
| 47 | TR7-4125 | ||
| TR7-4126 | |||
| 48 | TR7-4388 | ||
| 49 | TR62-7770 | ZUENDSCHLUESSEL | |
| 50 | TR3258-158S | ||
| 51 | TR7-4002 | ||
| 52 | TR256-167S | ||
| 53 | TR238-5S | ||
| 54 | TR7-4323 | DISCONTINUED | |
| 56 | TR3253-3 | Federring | |
| 57 | TR7-4650 | Scheibe | |




