Toro 55001 - Compact Suburban Lawn Tractor, 1968 (8000001-8999999) ELECTRICAL GROUP (USED ONLY ON MODEL 55101) Ersatzteile
ELECTRICAL GROUP (USED ONLY ON MODEL 55101) 55001 - Toro Compact Suburban Lawn Tractor, 1968 (8000001-8999999)

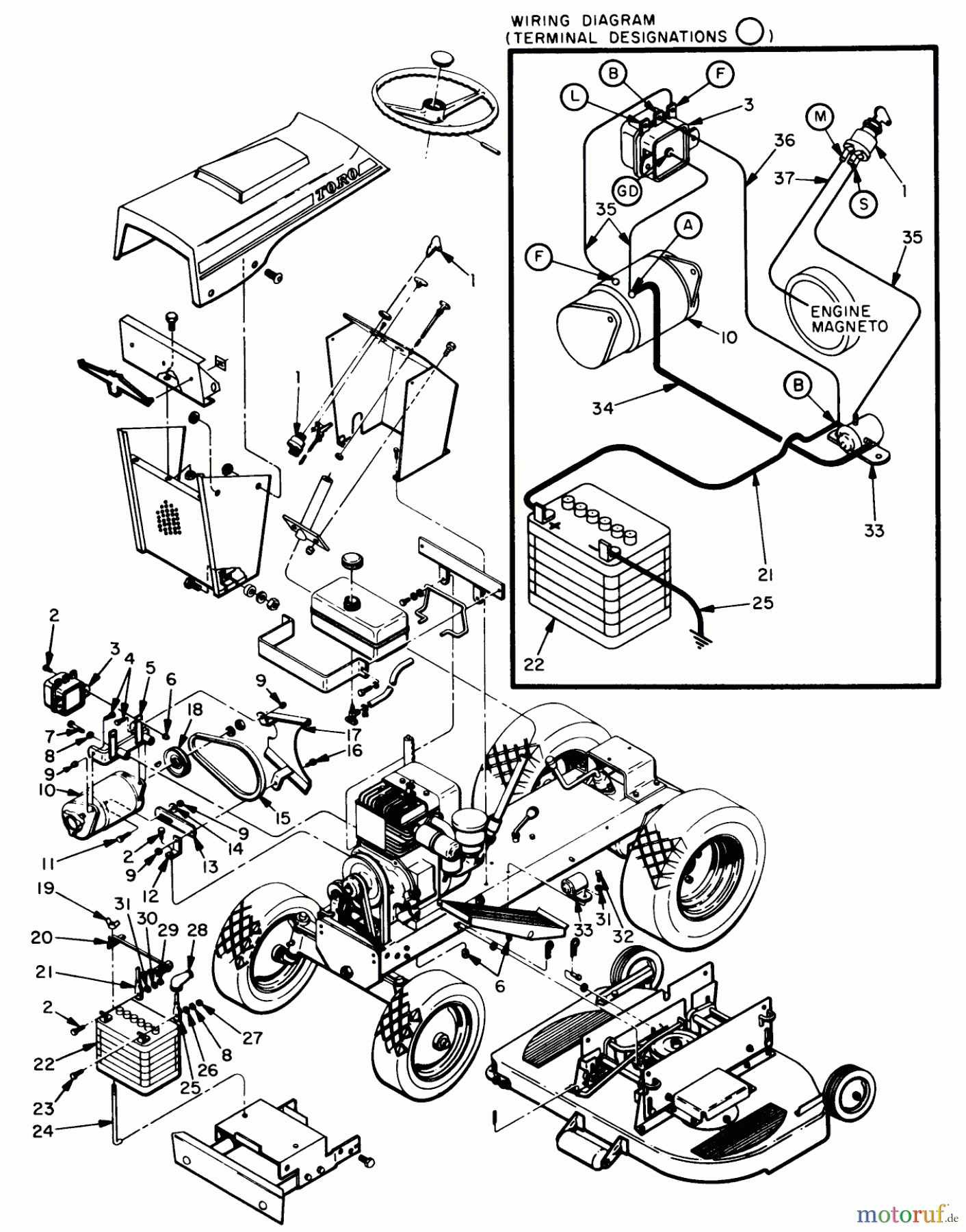
Hier finden Sie die Ersatzteilzeichnung für Toro Neu Mowers, Lawn & Garden Tractor Seite 1 55001 - Toro Compact Suburban Lawn Tractor, 1968 (8000001-8999999) ELECTRICAL GROUP (USED ONLY ON MODEL 55101). Wählen Sie das benötigte Ersatzteil aus der Ersatzteilliste Ihres Toro Gerätes aus und bestellen Sie einfach online. Viele Toro Ersatzteile halten wir ständig in unserem Lager für Sie bereit.
| BildNr | Artikel Nummer | Bezeichnung | |
| 1 | TR218-333(s | ||
| 2 | ![]() | TR321-4 | Schraube |
| 3 | TR218-334(s | ||
| 4 | TR322-5 | Schraube | |
| 5 | TR7-0987 | ||
| 6 | TR32152-4(s | ||
| 7 | TR322-11 | SCREW-HH | |
| 8 | TR3253-4 | Federring | |
| 9 | TR21152-1(s | ||
| 10 | TR7-1002 | ||
| TR3257-24 | Keil | ||
| TR218-405(s | |||
| TR3253-23 | |||
| 11 | TR322-6 | Schraube | |
| 12 | TR7-1000 | ||
| 13 | TR7-0998 | ||
| 14 | TR3256-3 | Scheibe | |
| 15 | TR70657 | 702103 | |
| 16 | TR322-3 | Schraube | |
| 17 | TR7-1001 | ||
| 18 | TR218-340(s | ||
| 19 | TR32103-12 | MUTTER | |
| 20 | TR7-0534 | BATTERIEHALTER | |
| 21 | TR7-1013 | ||
| 22 | TR239-13(s | ||
| 23 | TR322-3 | Schraube | |
| 24 | TR7-3328 | Bolzen | |
| 25 | TR7_0322 | ||
| 26 | TR7-0024 | ||
| 27 | TR3217-6 | NUT-HEX | |
| 28 | TR218-331(s | ||
| 29 | TR3217-5 | Mutter | |
| 30 | TR3253-3 | Federring | |
| 31 | TR3256-16(s | ||
| 32 | TR321-2 | Schraube | |
| 33 | TR218-332(s | ||
| 34 | TR70323 | 704962 | |
| 35 | TR7_0326 | ||
| 36 | TR7-1012 | ||
| 37 | TR7-0321 | ||




