Toro 51-12KE02 (312-H) - 312-H Garden Tractor, 1992 (2000001-2999999) STARTER POWER PLUS Ersatzteile
STARTER POWER PLUS 51-12KE02 (312-H) - Toro 312-H Garden Tractor, 1992 (2000001-2999999)

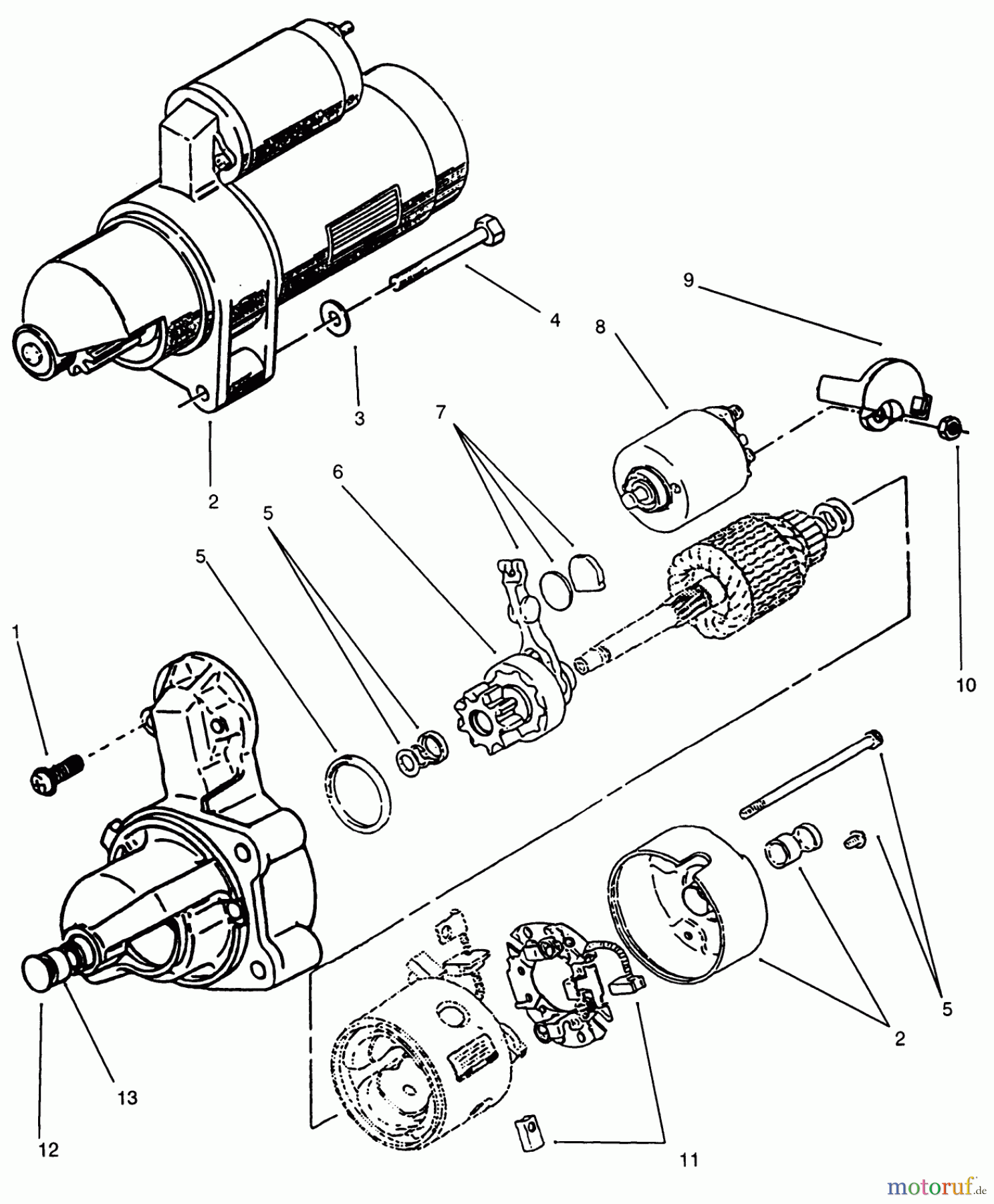
Hier finden Sie die Ersatzteilzeichnung für Toro Neu Mowers, Lawn & Garden Tractor Seite 1 51-12KE02 (312-H) - Toro 312-H Garden Tractor, 1992 (2000001-2999999) STARTER POWER PLUS. Wählen Sie das benötigte Ersatzteil aus der Ersatzteilliste Ihres Toro Gerätes aus und bestellen Sie einfach online. Viele Toro Ersatzteile halten wir ständig in unserem Lager für Sie bereit.



