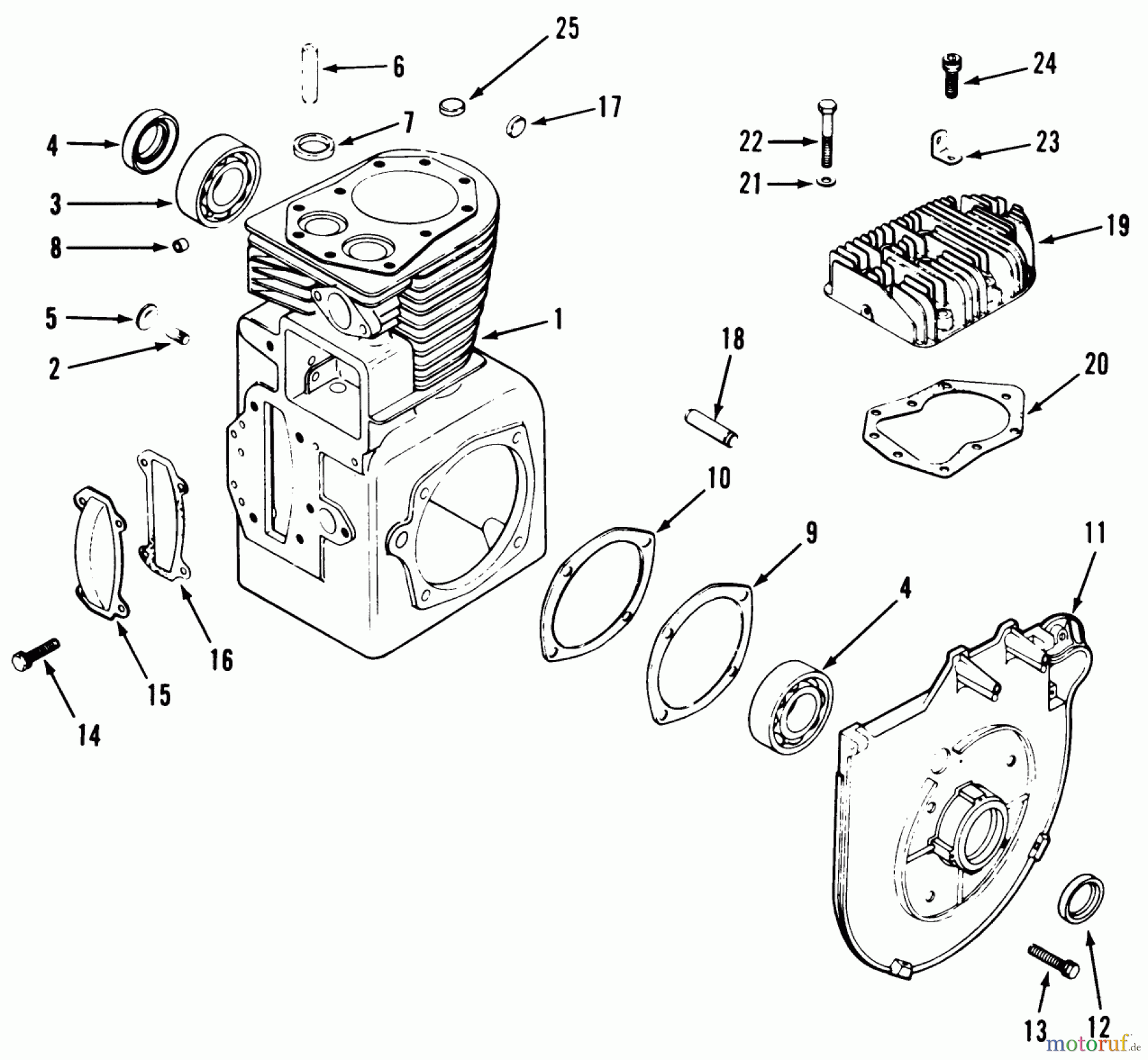
Toro 51-12KE02 (312-H) - 312-H Garden Tractor, 1992 (2000001-2999999) KOHLER CRANKCASE AND CYLINDER HEAD Ersatzteile
KOHLER CRANKCASE AND CYLINDER HEAD 51-12KE02 (312-H) - Toro 312-H Garden Tractor, 1992 (2000001-2999999)

Hier finden Sie die Ersatzteilzeichnung für Toro Neu Mowers, Lawn & Garden Tractor Seite 1 51-12KE02 (312-H) - Toro 312-H Garden Tractor, 1992 (2000001-2999999) KOHLER CRANKCASE AND CYLINDER HEAD. Wählen Sie das benötigte Ersatzteil aus der Ersatzteilliste Ihres Toro Gerätes aus und bestellen Sie einfach online. Viele Toro Ersatzteile halten wir ständig in unserem Lager für Sie bereit.



