Toro 51-12KE02 (312-H) - 312-H Garden Tractor, 1992 (2000001-2999999) CHOKE LINKAGE POWER PLUS Ersatzteile
CHOKE LINKAGE POWER PLUS 51-12KE02 (312-H) - Toro 312-H Garden Tractor, 1992 (2000001-2999999)

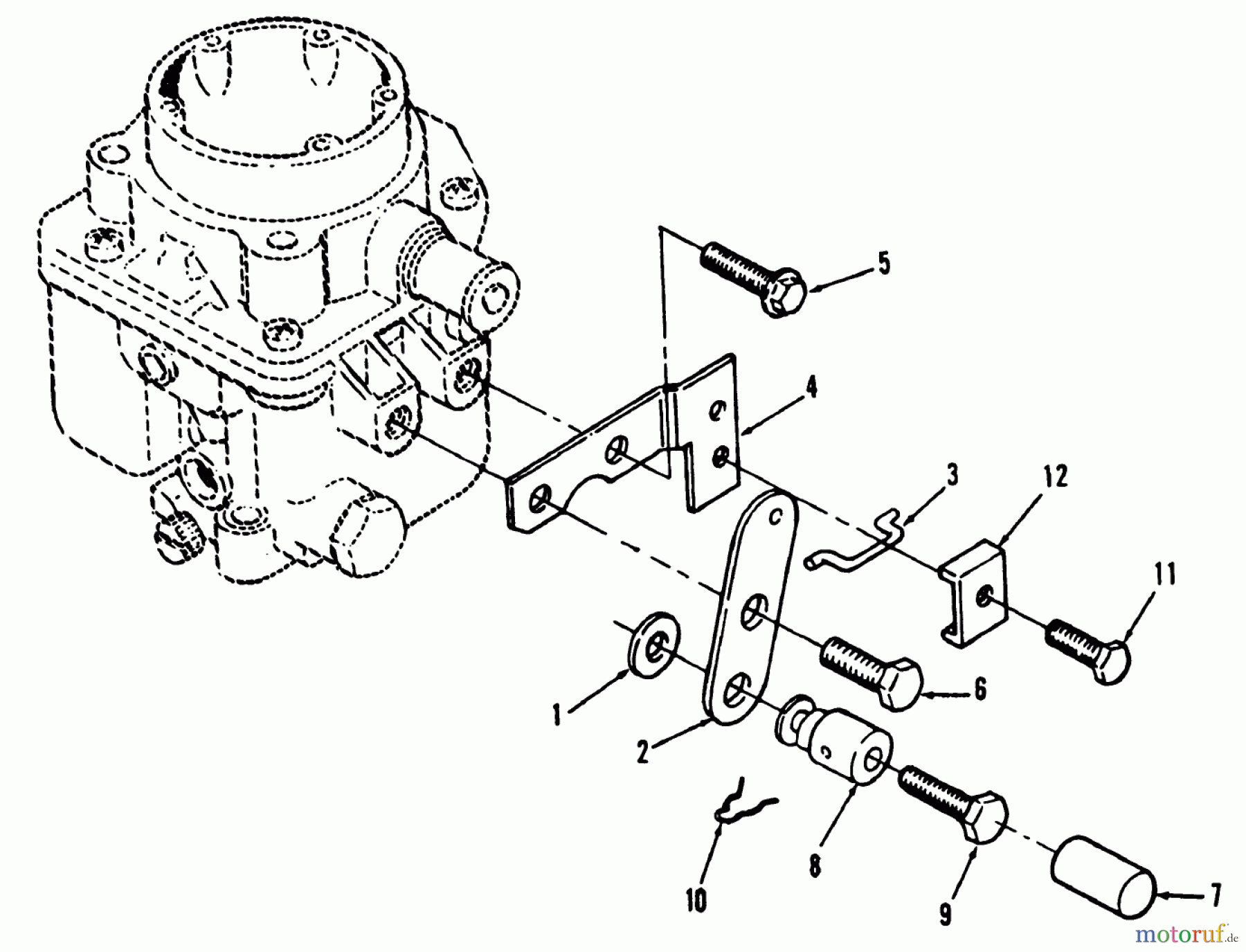
Hier finden Sie die Ersatzteilzeichnung für Toro Neu Mowers, Lawn & Garden Tractor Seite 1 51-12KE02 (312-H) - Toro 312-H Garden Tractor, 1992 (2000001-2999999) CHOKE LINKAGE POWER PLUS. Wählen Sie das benötigte Ersatzteil aus der Ersatzteilliste Ihres Toro Gerätes aus und bestellen Sie einfach online. Viele Toro Ersatzteile halten wir ständig in unserem Lager für Sie bereit.
| BildNr | Artikel Nummer | Bezeichnung | |
| 1 | TR59-0850 | SCHEIBE | |
| 2 | TR59-0460 | SWIVEL-CHOKE | |
| 3 | TR57-9180 | Gestaenge | |
| 4 | TR59-0470 | Hebel | |
| 5 | TR72-3880 | SCREW-HWH | |
| 6 | TR92-0916 | MACHINE SCREW | |
| 7 | TRNN10830 | DISCONTINUED | |
| 8 | TR57-9170 | Bowdenzugfuehrung | |
| 9 | TR72-3890 | Schraube | |
| 10 | TR59-0720 | PIN-COTTER | |
| 11 | TR72-3900 | Schraube | |
| 12 | TR57-9190 | CLIP | |



