Toro 41-20OE03 (520-H) - 520-H Garden Tractor, 1992 (2000001-2999999) ELECTRICAL SYSTEM #2 Ersatzteile
ELECTRICAL SYSTEM #2 41-20OE03 (520-H) - Toro 520-H Garden Tractor, 1992 (2000001-2999999)

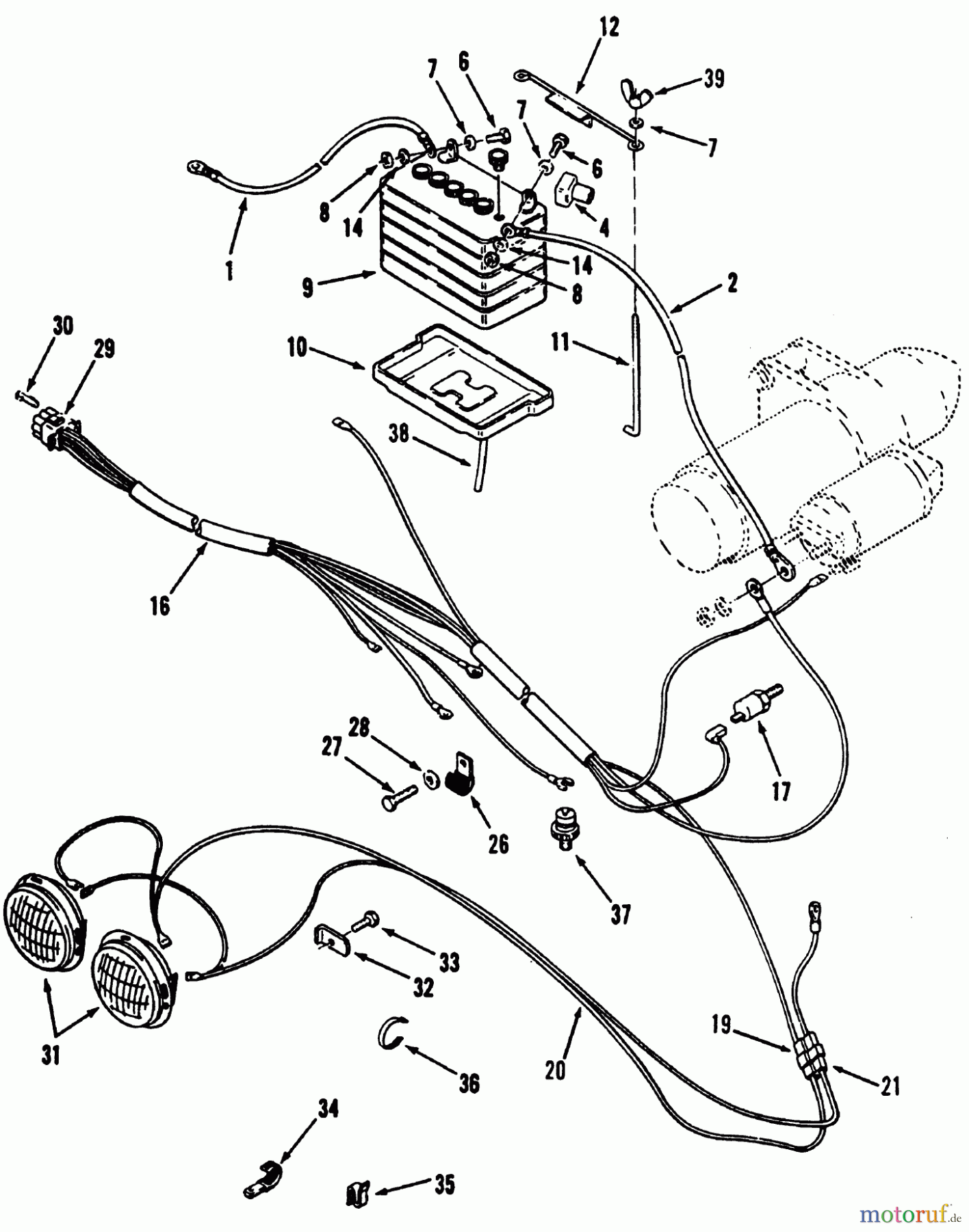
Hier finden Sie die Ersatzteilzeichnung für Toro Neu Mowers, Lawn & Garden Tractor Seite 1 41-20OE03 (520-H) - Toro 520-H Garden Tractor, 1992 (2000001-2999999) ELECTRICAL SYSTEM #2. Wählen Sie das benötigte Ersatzteil aus der Ersatzteilliste Ihres Toro Gerätes aus und bestellen Sie einfach online. Viele Toro Ersatzteile halten wir ständig in unserem Lager für Sie bereit.





