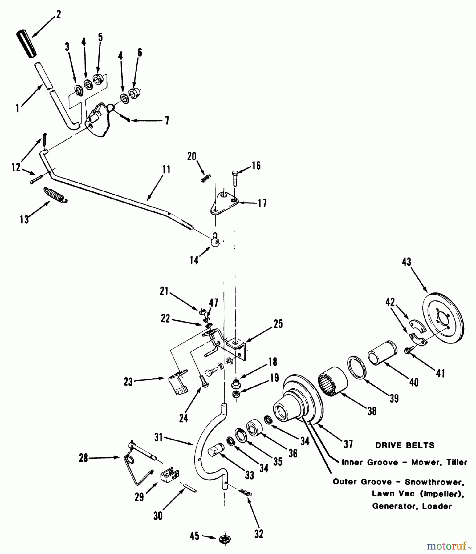
Toro 41-16OE01 (416-H) - 416-H Garden Tractor, 1990 PTO CLUTCH AND CONTROL Ersatzteile
PTO CLUTCH AND CONTROL 41-16OE01 (416-H) - Toro 416-H Garden Tractor, 1990

Hier finden Sie die Ersatzteilzeichnung für Toro Neu Mowers, Lawn & Garden Tractor Seite 1 41-16OE01 (416-H) - Toro 416-H Garden Tractor, 1990 PTO CLUTCH AND CONTROL. Wählen Sie das benötigte Ersatzteil aus der Ersatzteilliste Ihres Toro Gerätes aus und bestellen Sie einfach online. Viele Toro Ersatzteile halten wir ständig in unserem Lager für Sie bereit.



