Toro 32-16BE01 (216-H) - 216-H Tractor, 1990 CARBURETOR AND AIR CLEANER Ersatzteile
CARBURETOR AND AIR CLEANER 32-16BE01 (216-H) - Toro 216-H Tractor, 1990

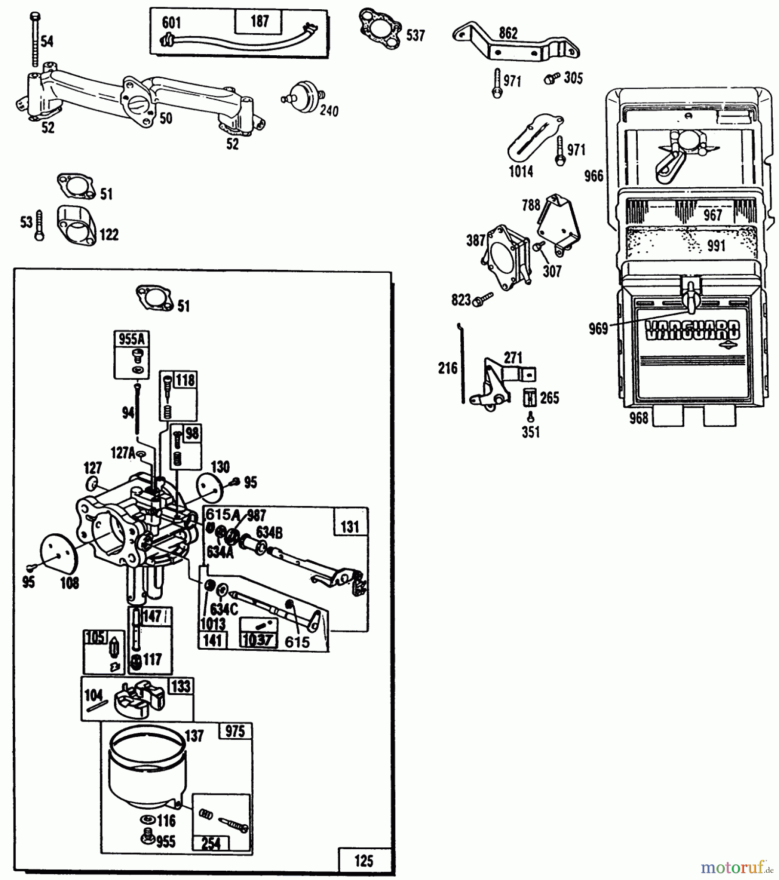
Hier finden Sie die Ersatzteilzeichnung für Toro Neu Mowers, Lawn & Garden Tractor Seite 1 32-16BE01 (216-H) - Toro 216-H Tractor, 1990 CARBURETOR AND AIR CLEANER. Wählen Sie das benötigte Ersatzteil aus der Ersatzteilliste Ihres Toro Gerätes aus und bestellen Sie einfach online. Viele Toro Ersatzteile halten wir ständig in unserem Lager für Sie bereit.


Qualitätsmanagement
Informieren Sie uns, wenn Sie einen Fehler gefunden haben.

