Toro 32-12O503 (212-5) - 212-5 Tractor, 1992 (2000001-2999999) ENGINE BRIGGS & STRATTON MODEL 257707-0123-01 #1 Ersatzteile
ENGINE BRIGGS & STRATTON MODEL 257707-0123-01 #1 32-12O503 (212-5) - Toro 212-5 Tractor, 1992 (2000001-2999999)

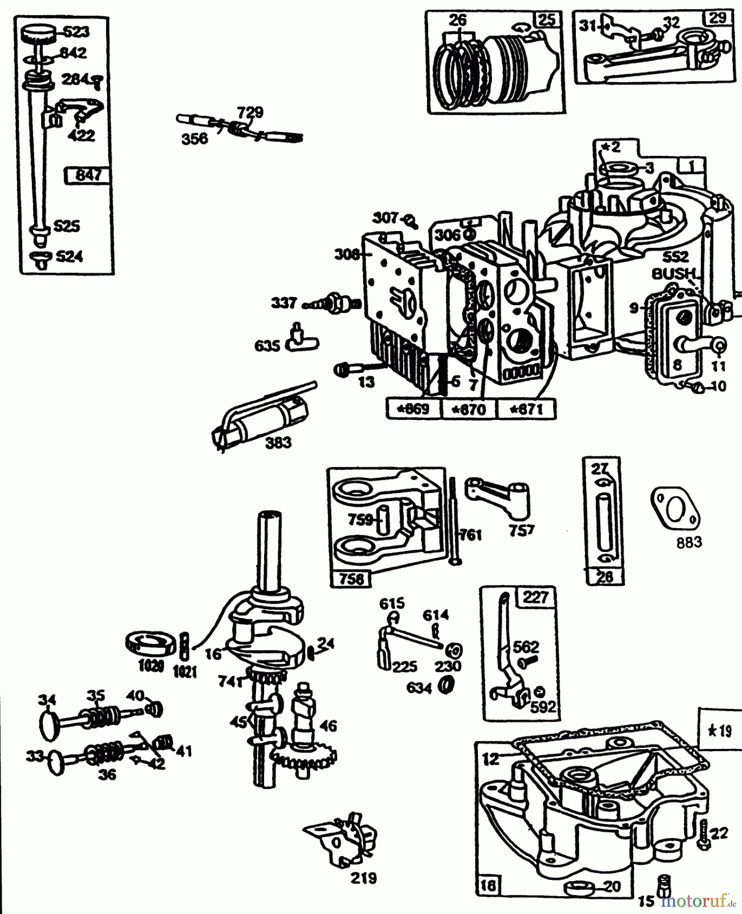
Hier finden Sie die Ersatzteilzeichnung für Toro Neu Mowers, Lawn & Garden Tractor Seite 1 32-12O503 (212-5) - Toro 212-5 Tractor, 1992 (2000001-2999999) ENGINE BRIGGS & STRATTON MODEL 257707-0123-01 #1. Wählen Sie das benötigte Ersatzteil aus der Ersatzteilliste Ihres Toro Gerätes aus und bestellen Sie einfach online. Viele Toro Ersatzteile halten wir ständig in unserem Lager für Sie bereit.









