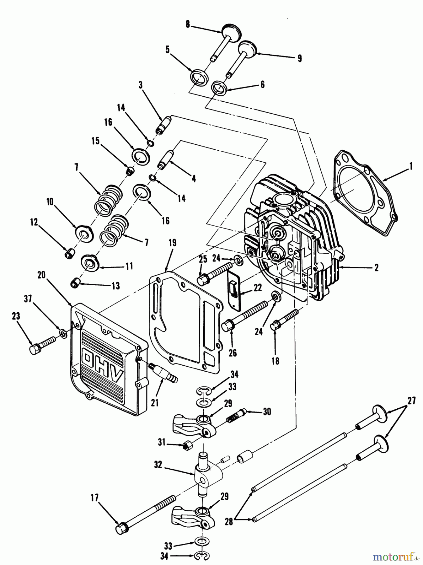
Toro 32-12O503 (212-5) - 212-5 Tractor, 1992 (2000001-2999999) 12.5HP ENGINE CYLINDER HEAD & VALVES ASSEMBLY Ersatzteile
12.5HP ENGINE CYLINDER HEAD & VALVES ASSEMBLY 32-12O503 (212-5) - Toro 212-5 Tractor, 1992 (2000001-2999999)

Hier finden Sie die Ersatzteilzeichnung für Toro Neu Mowers, Lawn & Garden Tractor Seite 1 32-12O503 (212-5) - Toro 212-5 Tractor, 1992 (2000001-2999999) 12.5HP ENGINE CYLINDER HEAD & VALVES ASSEMBLY. Wählen Sie das benötigte Ersatzteil aus der Ersatzteilliste Ihres Toro Gerätes aus und bestellen Sie einfach online. Viele Toro Ersatzteile halten wir ständig in unserem Lager für Sie bereit.


Qualitätsmanagement
Informieren Sie uns, wenn Sie einen Fehler gefunden haben.

