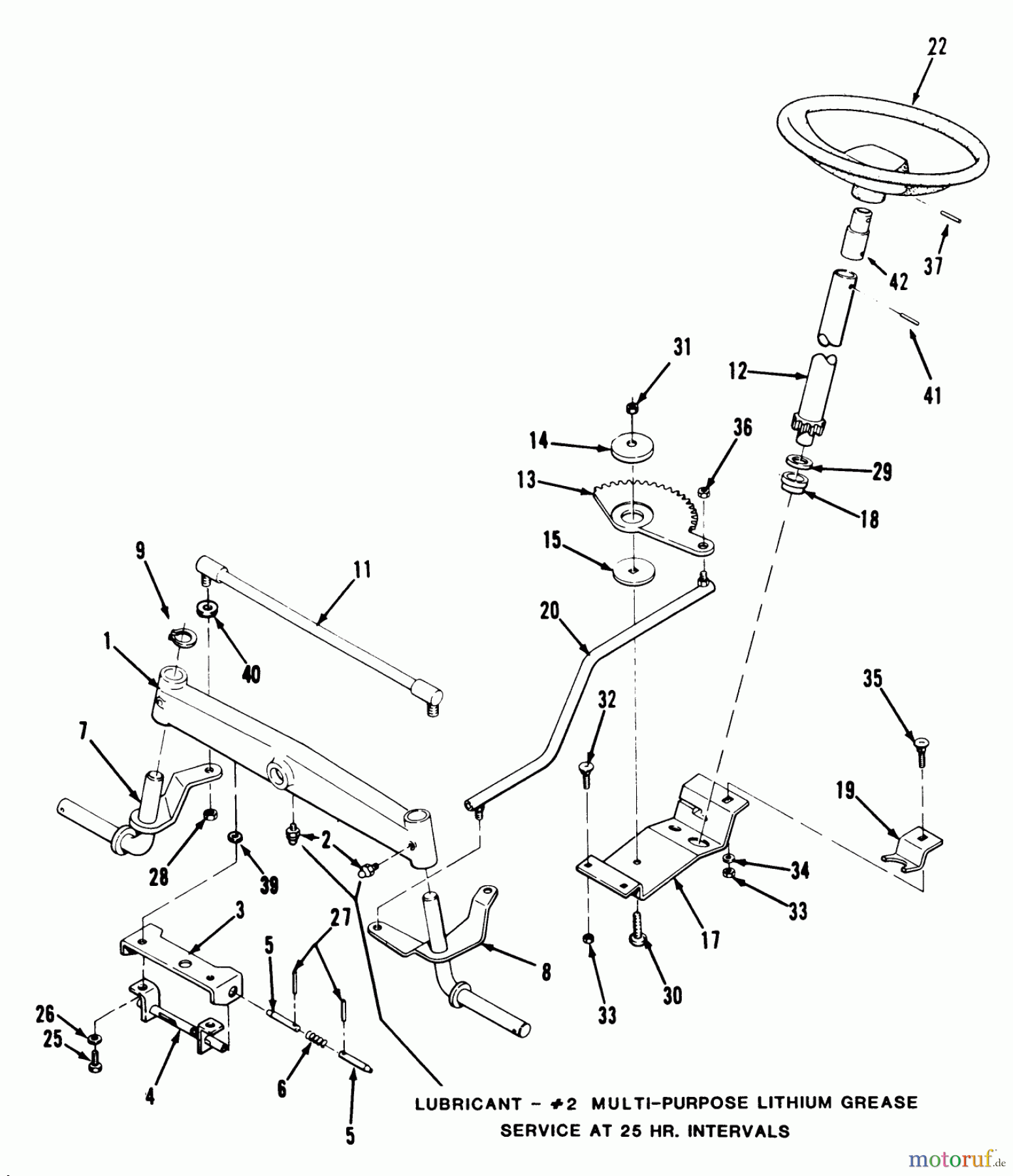
Toro 32-12BEA3 (212-H) - 212-H Tractor, 1991 (1000001-1999999) FRONT AXLE & STEERING ASSEMBLY Ersatzteile
FRONT AXLE & STEERING ASSEMBLY 32-12BEA3 (212-H) - Toro 212-H Tractor, 1991 (1000001-1999999)

Hier finden Sie die Ersatzteilzeichnung für Toro Neu Mowers, Lawn & Garden Tractor Seite 1 32-12BEA3 (212-H) - Toro 212-H Tractor, 1991 (1000001-1999999) FRONT AXLE & STEERING ASSEMBLY. Wählen Sie das benötigte Ersatzteil aus der Ersatzteilliste Ihres Toro Gerätes aus und bestellen Sie einfach online. Viele Toro Ersatzteile halten wir ständig in unserem Lager für Sie bereit.





