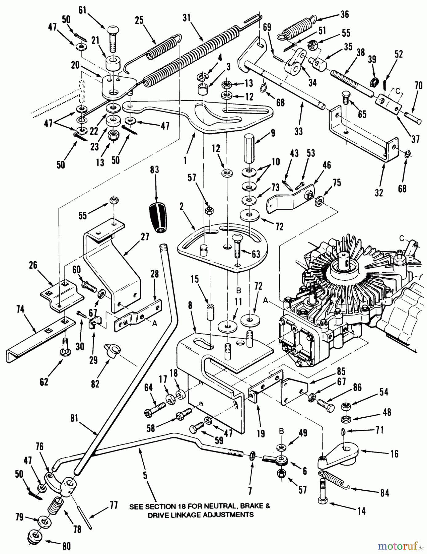
Toro 32-120EA1 (212-H)- 212-H Tractor, 1991 (1000001-1999999) HYDROSTATIC TRANSAXLE - CONTROL LINKAGE Ersatzteile
HYDROSTATIC TRANSAXLE - CONTROL LINKAGE 32-120EA1 (212-H)- Toro 212-H Tractor, 1991 (1000001-1999999)

Hier finden Sie die Ersatzteilzeichnung für Toro Neu Mowers, Lawn & Garden Tractor Seite 1 32-120EA1 (212-H)- Toro 212-H Tractor, 1991 (1000001-1999999) HYDROSTATIC TRANSAXLE - CONTROL LINKAGE. Wählen Sie das benötigte Ersatzteil aus der Ersatzteilliste Ihres Toro Gerätes aus und bestellen Sie einfach online. Viele Toro Ersatzteile halten wir ständig in unserem Lager für Sie bereit.


Qualitätsmanagement
Informieren Sie uns, wenn Sie einen Fehler gefunden haben.





