Toro 32-11B301 (211-3) - 211-3 Tractor, 1987 3 & 5-SPEED TRANSMISSION Ersatzteile
3 & 5-SPEED TRANSMISSION 32-11B301 (211-3) - Toro 211-3 Tractor, 1987

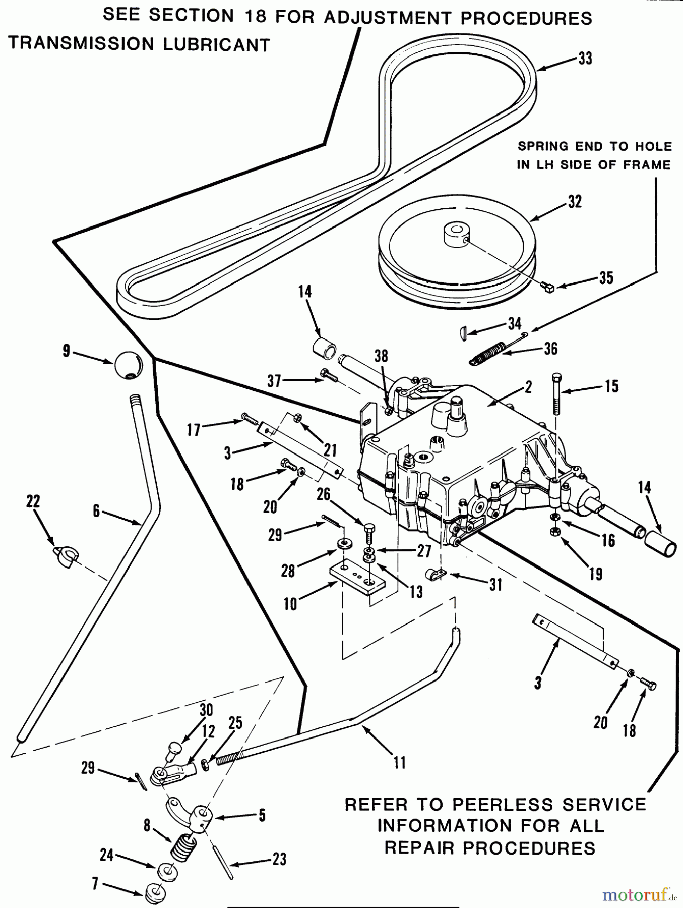
Hier finden Sie die Ersatzteilzeichnung für Toro Neu Mowers, Lawn & Garden Tractor Seite 1 32-11B301 (211-3) - Toro 211-3 Tractor, 1987 3 & 5-SPEED TRANSMISSION. Wählen Sie das benötigte Ersatzteil aus der Ersatzteilliste Ihres Toro Gerätes aus und bestellen Sie einfach online. Viele Toro Ersatzteile halten wir ständig in unserem Lager für Sie bereit.


Qualitätsmanagement
Informieren Sie uns, wenn Sie einen Fehler gefunden haben.


