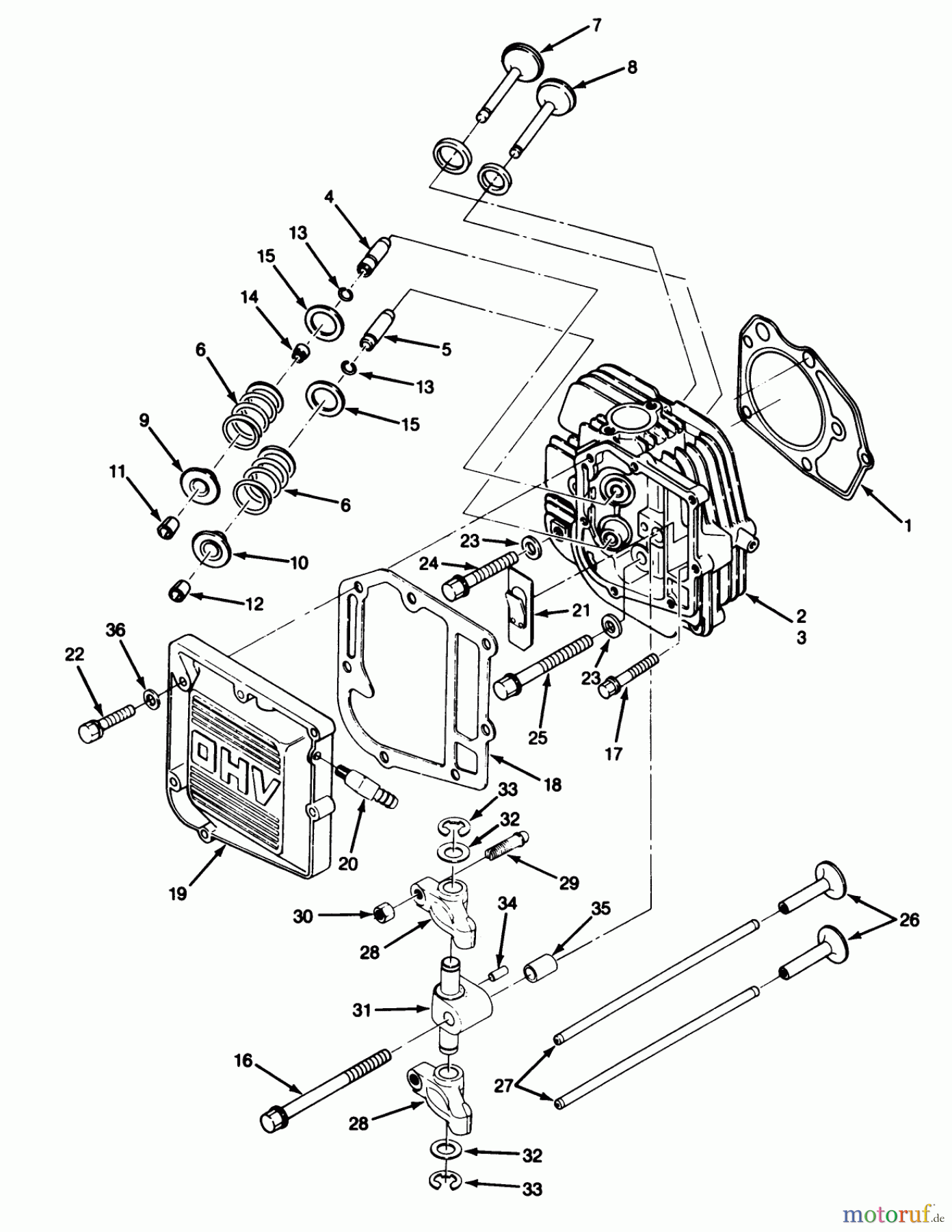
Toro 32-10BE01 (210-H) - 210-H Tractor, 1990 CYLINDER HEAD AND VALVES Ersatzteile
CYLINDER HEAD AND VALVES 32-10BE01 (210-H) - Toro 210-H Tractor, 1990

Hier finden Sie die Ersatzteilzeichnung für Toro Neu Mowers, Lawn & Garden Tractor Seite 1 32-10BE01 (210-H) - Toro 210-H Tractor, 1990 CYLINDER HEAD AND VALVES. Wählen Sie das benötigte Ersatzteil aus der Ersatzteilliste Ihres Toro Gerätes aus und bestellen Sie einfach online. Viele Toro Ersatzteile halten wir ständig in unserem Lager für Sie bereit.



