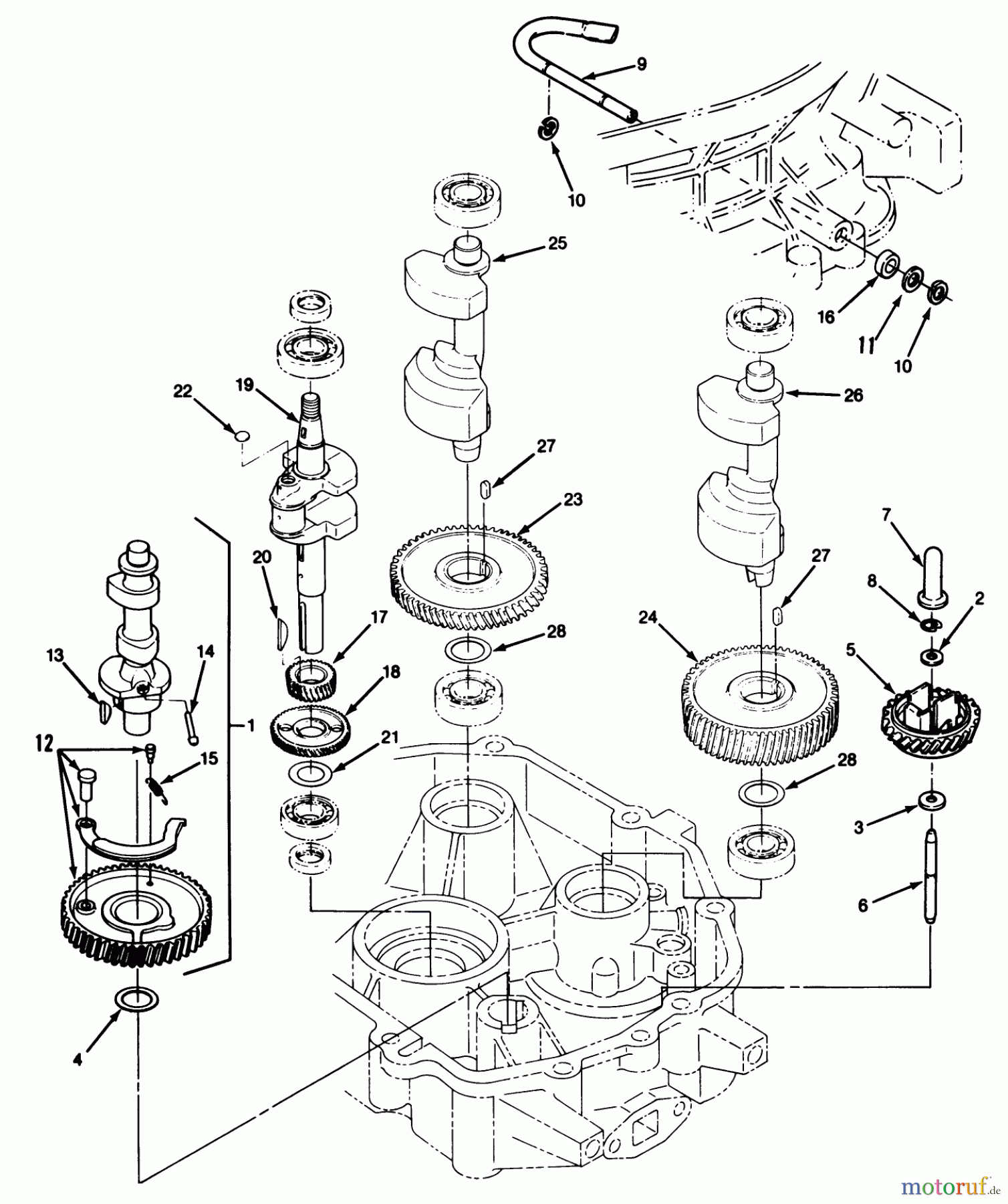
Toro 32-10BE01 (210-H) - 210-H Tractor, 1990 CRANKSHAFT & CAMSHAFT Ersatzteile
CRANKSHAFT & CAMSHAFT 32-10BE01 (210-H) - Toro 210-H Tractor, 1990

Hier finden Sie die Ersatzteilzeichnung für Toro Neu Mowers, Lawn & Garden Tractor Seite 1 32-10BE01 (210-H) - Toro 210-H Tractor, 1990 CRANKSHAFT & CAMSHAFT. Wählen Sie das benötigte Ersatzteil aus der Ersatzteilliste Ihres Toro Gerätes aus und bestellen Sie einfach online. Viele Toro Ersatzteile halten wir ständig in unserem Lager für Sie bereit.



