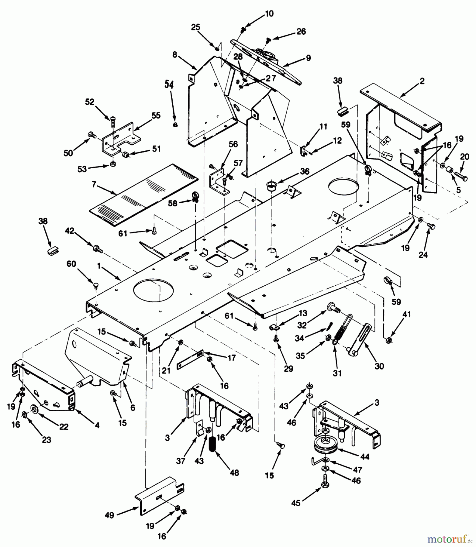
Toro 32-10B502 (210-5) - 210-5 Tractor, 1991 (1000001-1999999) FRAME ASSEMBLY Ersatzteile
FRAME ASSEMBLY 32-10B502 (210-5) - Toro 210-5 Tractor, 1991 (1000001-1999999)

Hier finden Sie die Ersatzteilzeichnung für Toro Neu Mowers, Lawn & Garden Tractor Seite 1 32-10B502 (210-5) - Toro 210-5 Tractor, 1991 (1000001-1999999) FRAME ASSEMBLY. Wählen Sie das benötigte Ersatzteil aus der Ersatzteilliste Ihres Toro Gerätes aus und bestellen Sie einfach online. Viele Toro Ersatzteile halten wir ständig in unserem Lager für Sie bereit.


Qualitätsmanagement
Informieren Sie uns, wenn Sie einen Fehler gefunden haben.




