Toro 31-18OE01 (518-H) - 518-H Garden Tractor, 1988 TRANSAXLE Ersatzteile
TRANSAXLE 31-18OE01 (518-H) - Toro 518-H Garden Tractor, 1988

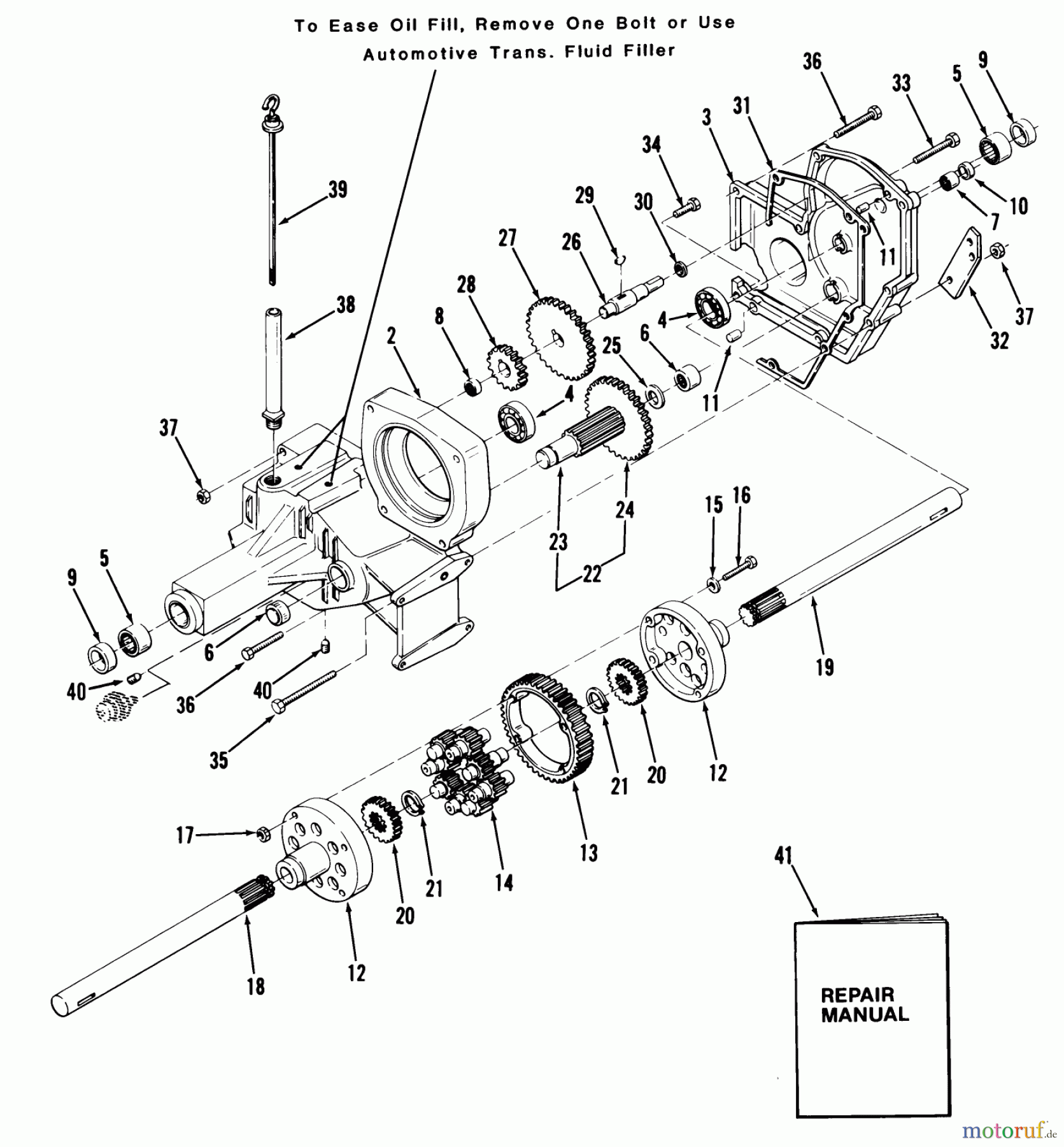
Hier finden Sie die Ersatzteilzeichnung für Toro Neu Mowers, Lawn & Garden Tractor Seite 1 31-18OE01 (518-H) - Toro 518-H Garden Tractor, 1988 TRANSAXLE. Wählen Sie das benötigte Ersatzteil aus der Ersatzteilliste Ihres Toro Gerätes aus und bestellen Sie einfach online. Viele Toro Ersatzteile halten wir ständig in unserem Lager für Sie bereit.


Qualitätsmanagement
Informieren Sie uns, wenn Sie einen Fehler gefunden haben.


