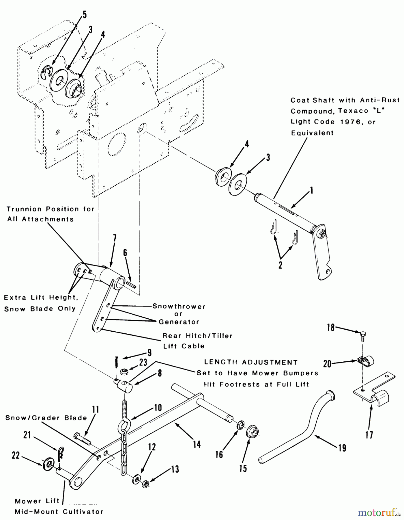
Toro 31-18K801 (418-8) - 418-8 Garden Tractor, 1987 HYDRAULIC LIFT LINKAGE-400 SERIES Ersatzteile
HYDRAULIC LIFT LINKAGE-400 SERIES 31-18K801 (418-8) - Toro 418-8 Garden Tractor, 1987

Hier finden Sie die Ersatzteilzeichnung für Toro Neu Mowers, Lawn & Garden Tractor Seite 1 31-18K801 (418-8) - Toro 418-8 Garden Tractor, 1987 HYDRAULIC LIFT LINKAGE-400 SERIES. Wählen Sie das benötigte Ersatzteil aus der Ersatzteilliste Ihres Toro Gerätes aus und bestellen Sie einfach online. Viele Toro Ersatzteile halten wir ständig in unserem Lager für Sie bereit.



