Toro 31-18K801 (418-8) - 418-8 Garden Tractor, 1987 AUTOMATIC TRANSMISSION-300 SERIES Ersatzteile
AUTOMATIC TRANSMISSION-300 SERIES 31-18K801 (418-8) - Toro 418-8 Garden Tractor, 1987

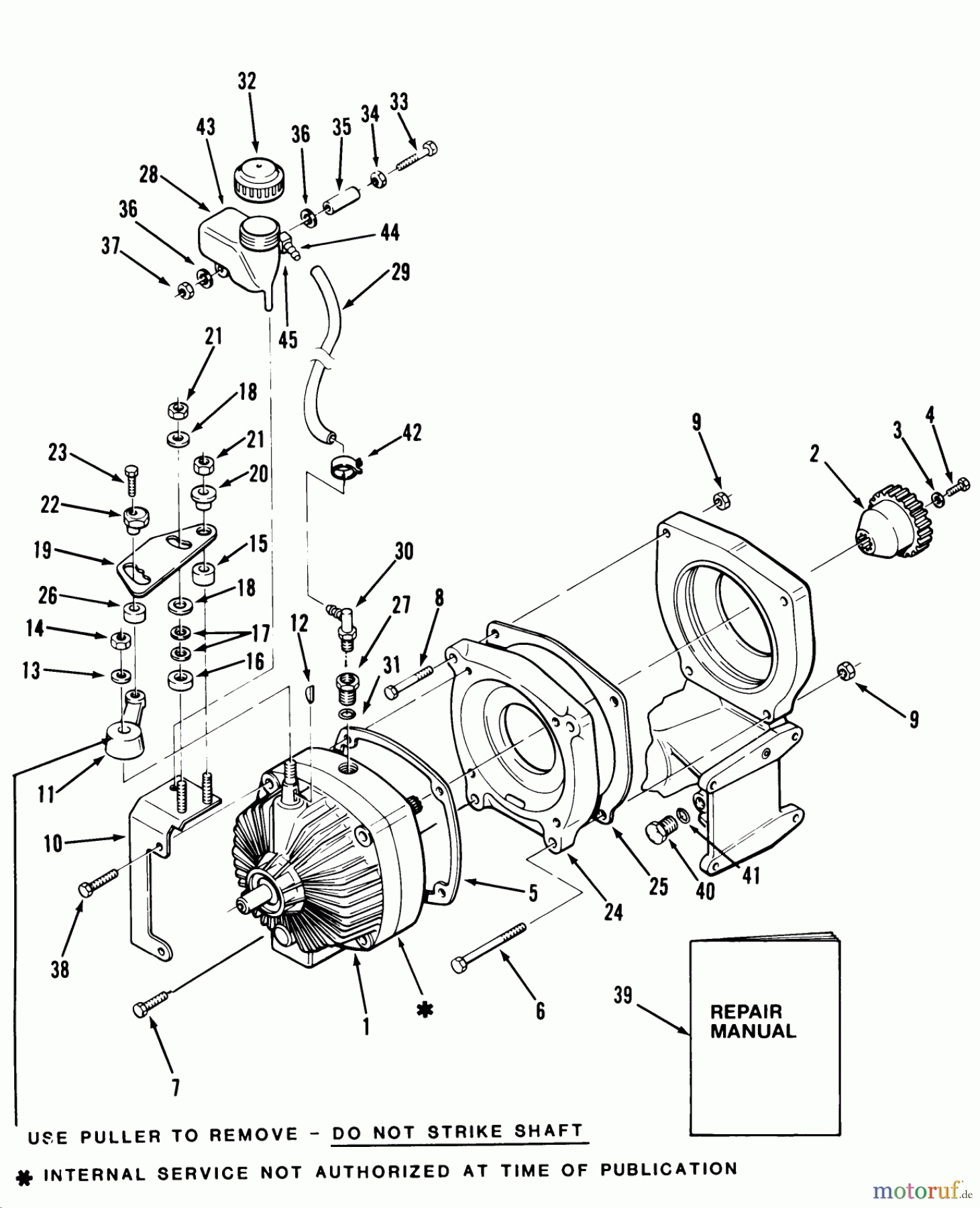
Hier finden Sie die Ersatzteilzeichnung für Toro Neu Mowers, Lawn & Garden Tractor Seite 1 31-18K801 (418-8) - Toro 418-8 Garden Tractor, 1987 AUTOMATIC TRANSMISSION-300 SERIES. Wählen Sie das benötigte Ersatzteil aus der Ersatzteilliste Ihres Toro Gerätes aus und bestellen Sie einfach online. Viele Toro Ersatzteile halten wir ständig in unserem Lager für Sie bereit.


Qualitätsmanagement
Informieren Sie uns, wenn Sie einen Fehler gefunden haben.



