Einstellungen Computer

Toro 31-16O801 (416-8) - 416-8 Garden Tractor, 1989 KOHLER CAMSHAFT, CRANKSHAFT & VALVES Ersatzteile

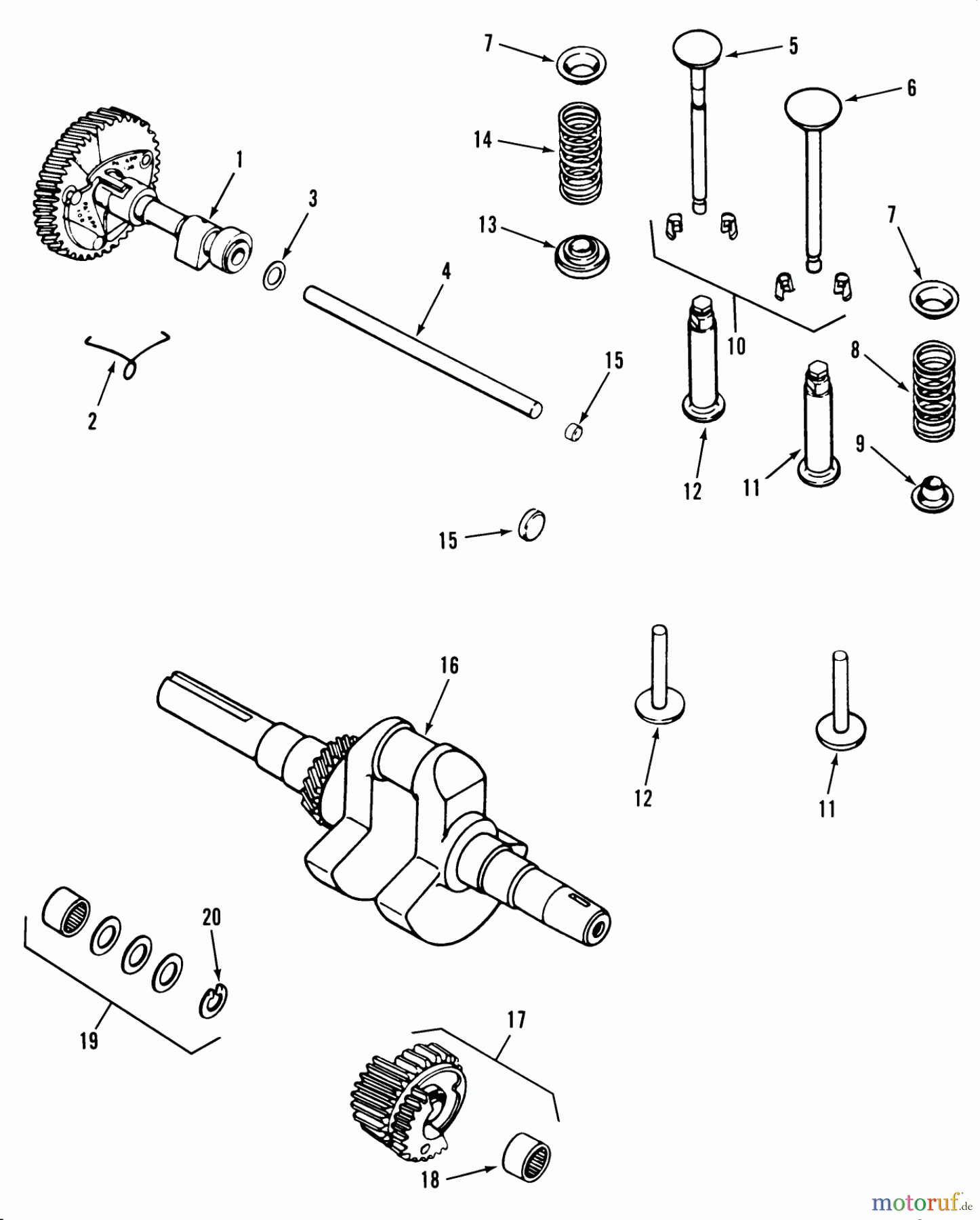
KOHLER CAMSHAFT, CRANKSHAFT & VALVES 31-16O801 (416-8) - Toro 416-8 Garden Tractor, 1989

 Toro Neu Mowers, Lawn & Garden Tractor Seite 1 31-16O801 (416-8) - Toro 416-8 Garden Tractor, 1989 KOHLER CAMSHAFT, CRANKSHAFT & VALVES

Hier finden Sie die Ersatzteilzeichnung für Toro Neu Mowers, Lawn & Garden Tractor Seite 1 31-16O801 (416-8) - Toro 416-8 Garden Tractor, 1989 KOHLER CAMSHAFT, CRANKSHAFT & VALVES. Wählen Sie das benötigte Ersatzteil aus der Ersatzteilliste Ihres Toro Gerätes aus und bestellen Sie einfach online. Viele Toro Ersatzteile halten wir ständig in unserem Lager für Sie bereit.

Rasen
Bankeinzug, MasterCard, Visa, American Express, PayPal, Nachnahme, Vorauskasse, Sofortüberweisung
Datenschutzerklärung Impressum
Qualitätsmanagement
Informieren Sie uns, wenn Sie einen Fehler gefunden haben.