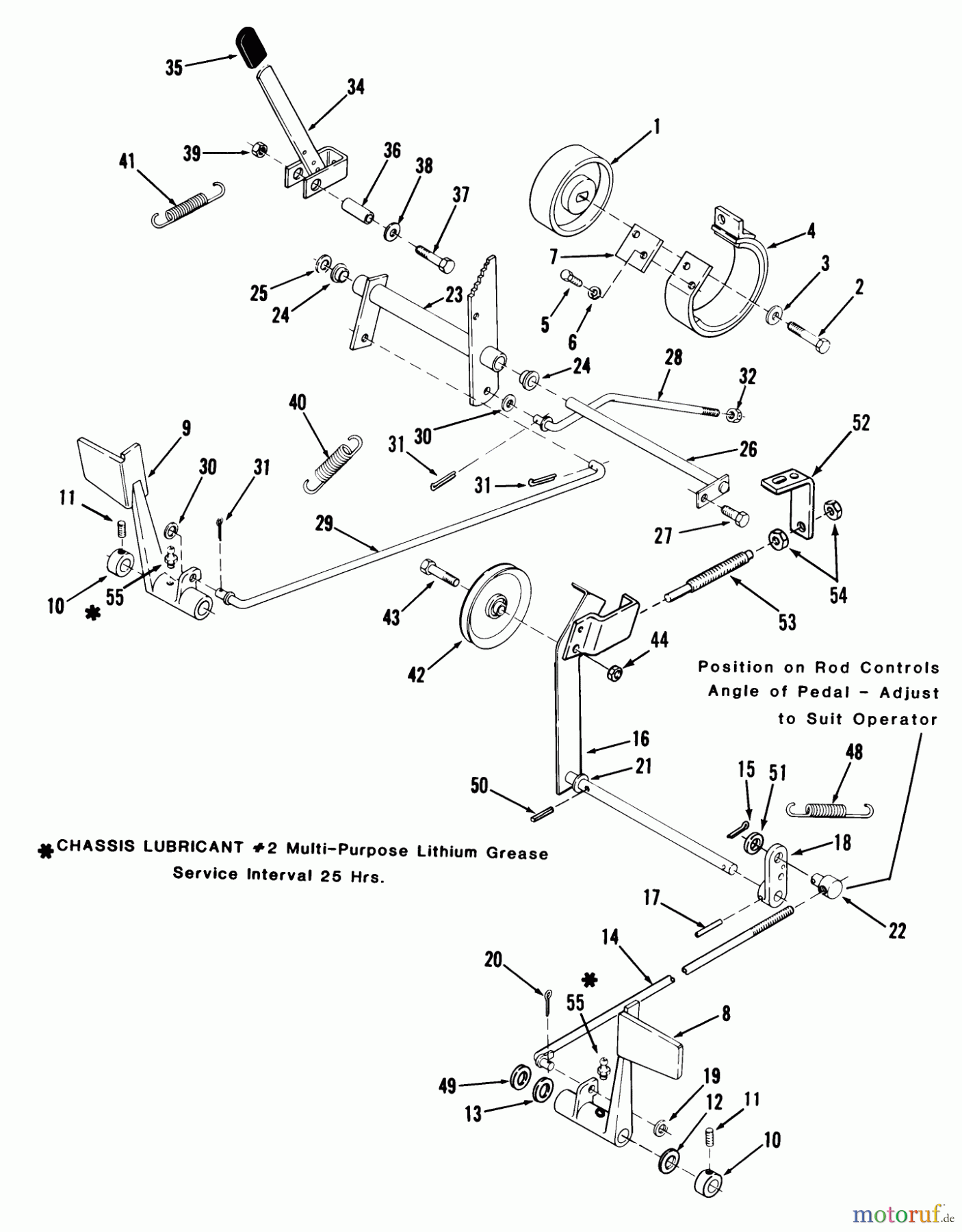
Toro 31-16O801 (416-8) - 416-8 Garden Tractor, 1989 CLUTCH, BRAKE AND SPEED CONTROL LINKAGE Ersatzteile
CLUTCH, BRAKE AND SPEED CONTROL LINKAGE 31-16O801 (416-8) - Toro 416-8 Garden Tractor, 1989

Hier finden Sie die Ersatzteilzeichnung für Toro Neu Mowers, Lawn & Garden Tractor Seite 1 31-16O801 (416-8) - Toro 416-8 Garden Tractor, 1989 CLUTCH, BRAKE AND SPEED CONTROL LINKAGE. Wählen Sie das benötigte Ersatzteil aus der Ersatzteilliste Ihres Toro Gerätes aus und bestellen Sie einfach online. Viele Toro Ersatzteile halten wir ständig in unserem Lager für Sie bereit.


Qualitätsmanagement
Informieren Sie uns, wenn Sie einen Fehler gefunden haben.


