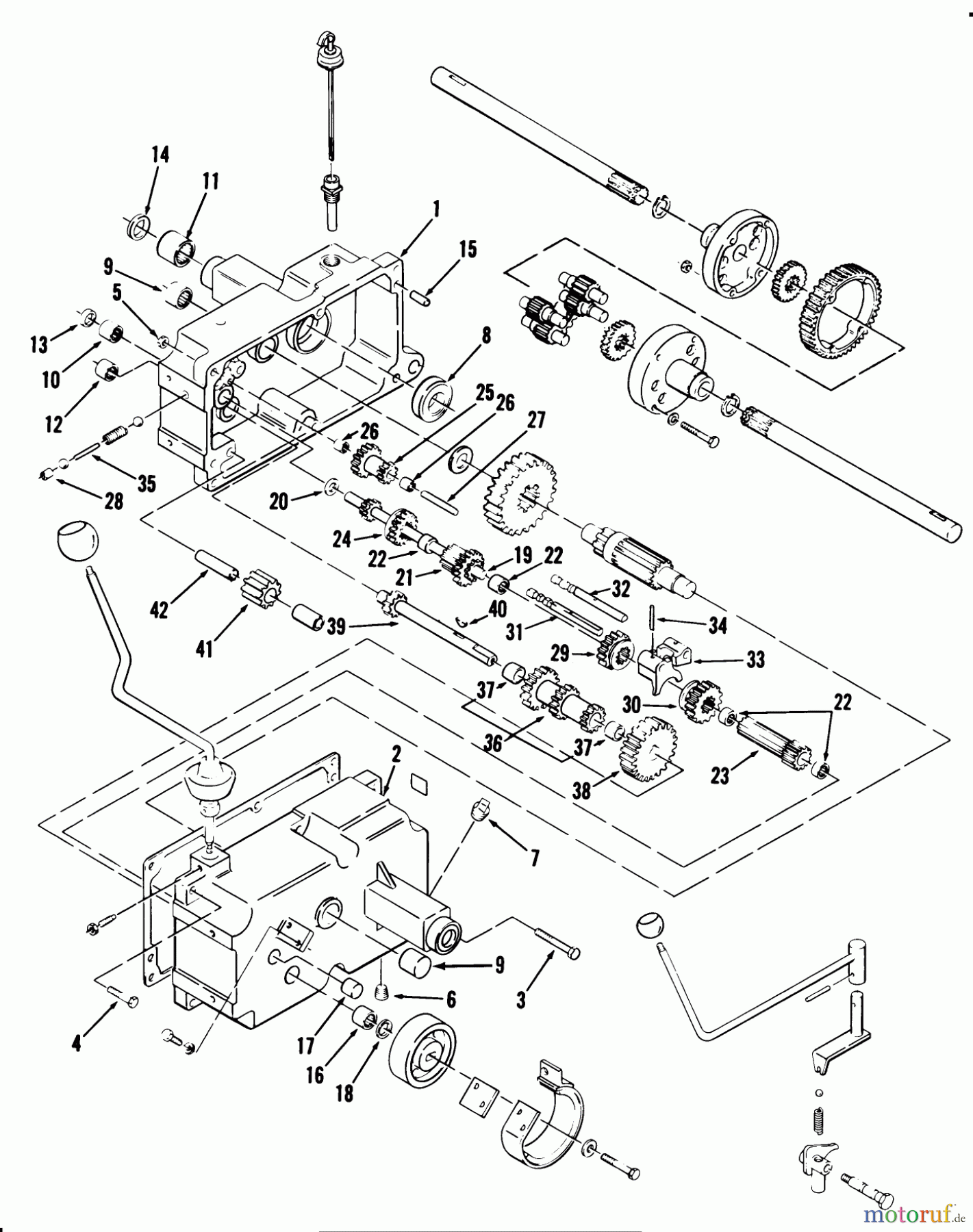
Toro 31-14K803 (414-8) - 414-8 Garden Tractor, 1988 MECHANICAL TRANSMISSION-8-SPEED #1 Ersatzteile
MECHANICAL TRANSMISSION-8-SPEED #1 31-14K803 (414-8) - Toro 414-8 Garden Tractor, 1988

Hier finden Sie die Ersatzteilzeichnung für Toro Neu Mowers, Lawn & Garden Tractor Seite 1 31-14K803 (414-8) - Toro 414-8 Garden Tractor, 1988 MECHANICAL TRANSMISSION-8-SPEED #1. Wählen Sie das benötigte Ersatzteil aus der Ersatzteilliste Ihres Toro Gerätes aus und bestellen Sie einfach online. Viele Toro Ersatzteile halten wir ständig in unserem Lager für Sie bereit.


Qualitätsmanagement
Informieren Sie uns, wenn Sie einen Fehler gefunden haben.


