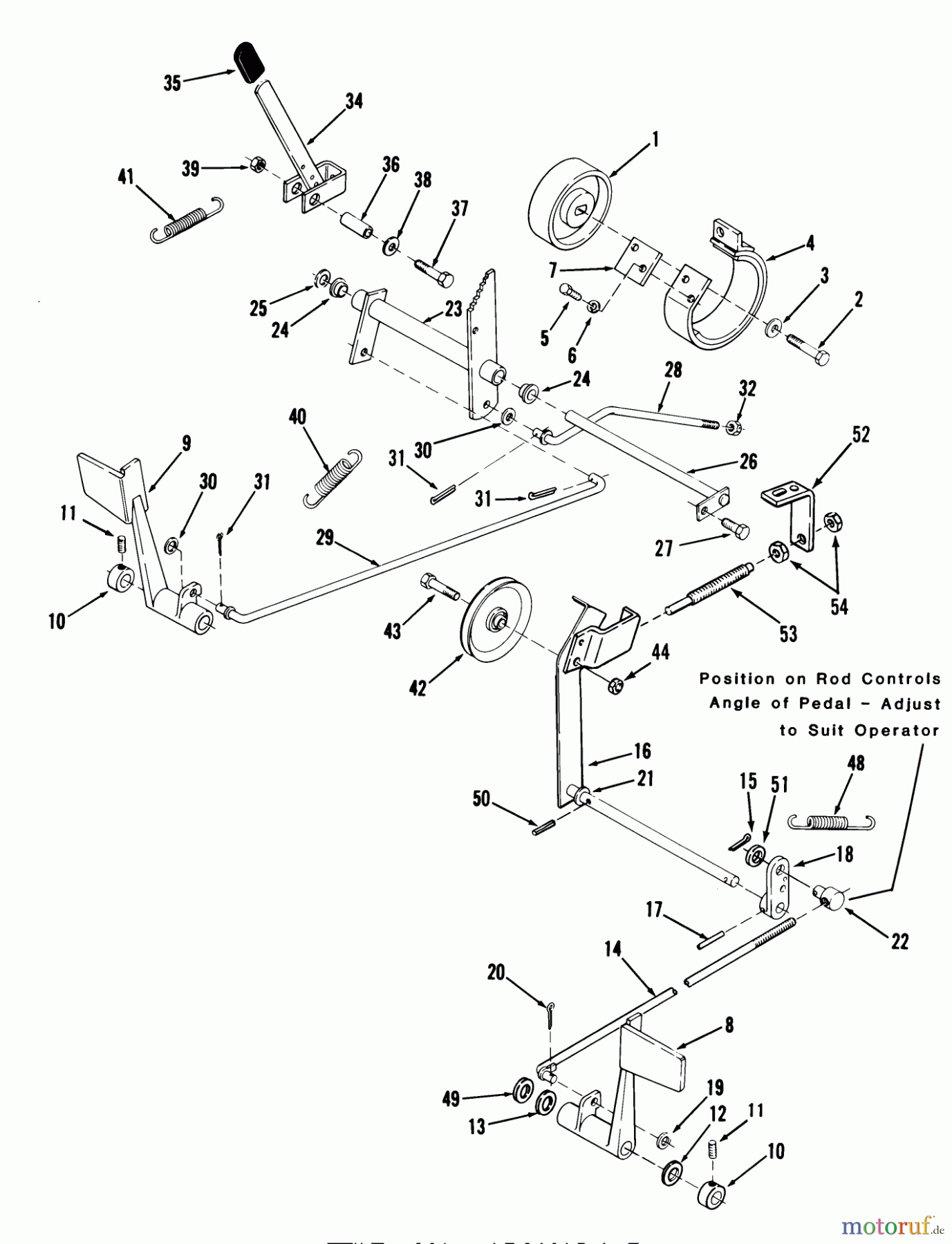
Toro 31-14K803 (414-8) - 414-8 Garden Tractor, 1988 CLUTCH, BRAKE AND SPEED CONTROL LINKAGE Ersatzteile
CLUTCH, BRAKE AND SPEED CONTROL LINKAGE 31-14K803 (414-8) - Toro 414-8 Garden Tractor, 1988

Hier finden Sie die Ersatzteilzeichnung für Toro Neu Mowers, Lawn & Garden Tractor Seite 1 31-14K803 (414-8) - Toro 414-8 Garden Tractor, 1988 CLUTCH, BRAKE AND SPEED CONTROL LINKAGE. Wählen Sie das benötigte Ersatzteil aus der Ersatzteilliste Ihres Toro Gerätes aus und bestellen Sie einfach online. Viele Toro Ersatzteile halten wir ständig in unserem Lager für Sie bereit.





