Toro 31-12K802 (312-8) - 312-8 Garden Tractor, 1991 (1000001-1999999) KOHLER CRANKCASE & CYLINDER HEAD Ersatzteile
KOHLER CRANKCASE & CYLINDER HEAD 31-12K802 (312-8) - Toro 312-8 Garden Tractor, 1991 (1000001-1999999)

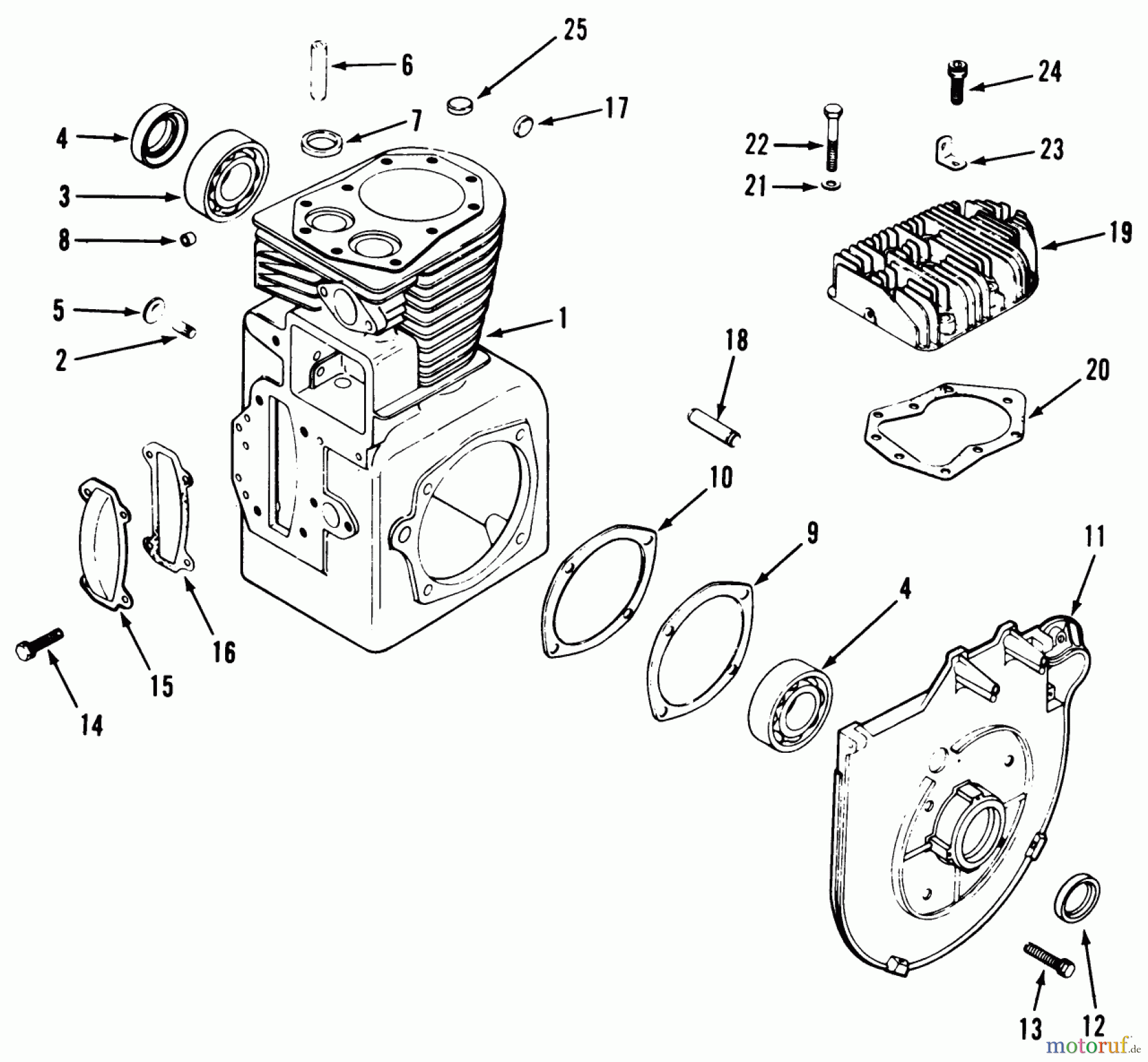
Hier finden Sie die Ersatzteilzeichnung für Toro Neu Mowers, Lawn & Garden Tractor Seite 1 31-12K802 (312-8) - Toro 312-8 Garden Tractor, 1991 (1000001-1999999) KOHLER CRANKCASE & CYLINDER HEAD. Wählen Sie das benötigte Ersatzteil aus der Ersatzteilliste Ihres Toro Gerätes aus und bestellen Sie einfach online. Viele Toro Ersatzteile halten wir ständig in unserem Lager für Sie bereit.


Qualitätsmanagement
Informieren Sie uns, wenn Sie einen Fehler gefunden haben.

