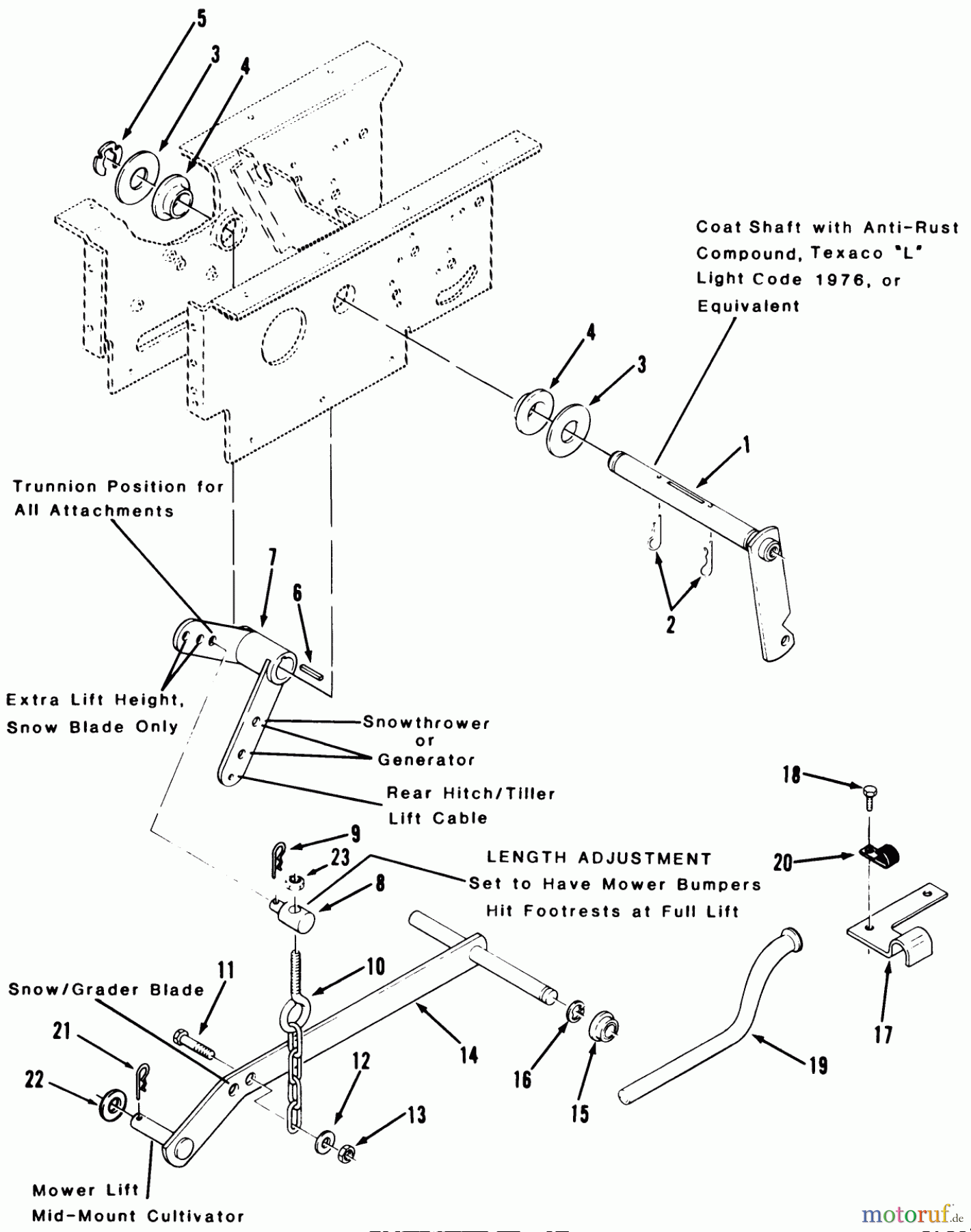
Toro 31-12K802 (312-8) - 312-8 Garden Tractor, 1991 (1000001-1999999) HYDROSTATIC LIFT LINKAGE 312-H & 416-H Ersatzteile
HYDROSTATIC LIFT LINKAGE 312-H & 416-H 31-12K802 (312-8) - Toro 312-8 Garden Tractor, 1991 (1000001-1999999)

Hier finden Sie die Ersatzteilzeichnung für Toro Neu Mowers, Lawn & Garden Tractor Seite 1 31-12K802 (312-8) - Toro 312-8 Garden Tractor, 1991 (1000001-1999999) HYDROSTATIC LIFT LINKAGE 312-H & 416-H. Wählen Sie das benötigte Ersatzteil aus der Ersatzteilliste Ihres Toro Gerätes aus und bestellen Sie einfach online. Viele Toro Ersatzteile halten wir ständig in unserem Lager für Sie bereit.




