Toro 31-10K803 (310-8) - 310-8 Garden Tractor, 1992 (2000001-2999999) CARBURETOR COMPONENTS POWER PLUS Ersatzteile
CARBURETOR COMPONENTS POWER PLUS 31-10K803 (310-8) - Toro 310-8 Garden Tractor, 1992 (2000001-2999999)

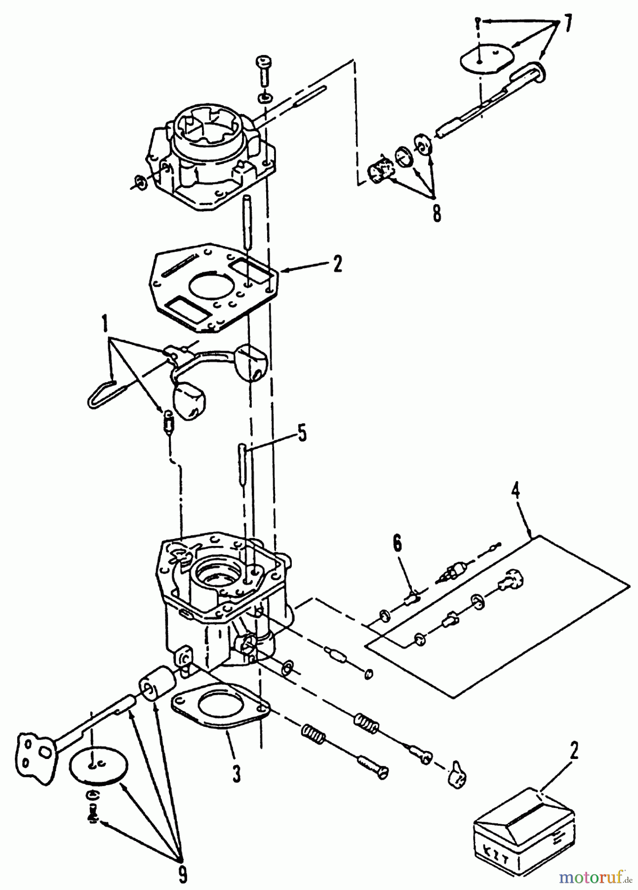
Hier finden Sie die Ersatzteilzeichnung für Toro Neu Mowers, Lawn & Garden Tractor Seite 1 31-10K803 (310-8) - Toro 310-8 Garden Tractor, 1992 (2000001-2999999) CARBURETOR COMPONENTS POWER PLUS. Wählen Sie das benötigte Ersatzteil aus der Ersatzteilliste Ihres Toro Gerätes aus und bestellen Sie einfach online. Viele Toro Ersatzteile halten wir ständig in unserem Lager für Sie bereit.
| BildNr | Artikel Nummer | Bezeichnung | |
| 1 | TR62-2800 | Schwimmer | |
| 2 | TR82-0780 | Vergaserreparatur-Satz | |
| 3 | TR82-0850 | Dichtung | |
| 4 | TRNN10810 | DISCONTINUED | |
| 5 | TR62-2820 | IDLE JET | |
| 6 | TRNN10199 | DISCONTINUED | |
| 7 | TR72-3860 | CHOKE KIT SHAFT | |
| 8 | TRNN10809 | CHOKE-LEVER KIT | |
| 9 | TRNN10811 | DISCONTINUED | |


Qualitätsmanagement
Informieren Sie uns, wenn Sie einen Fehler gefunden haben.

