Toro 30610 (120) - Proline 120, 1995 (591300-599999) FRAME & STEERING ASSEMBLY Ersatzteile
FRAME & STEERING ASSEMBLY 30610 (120) - Toro Proline 120, 1995 (591300-599999)

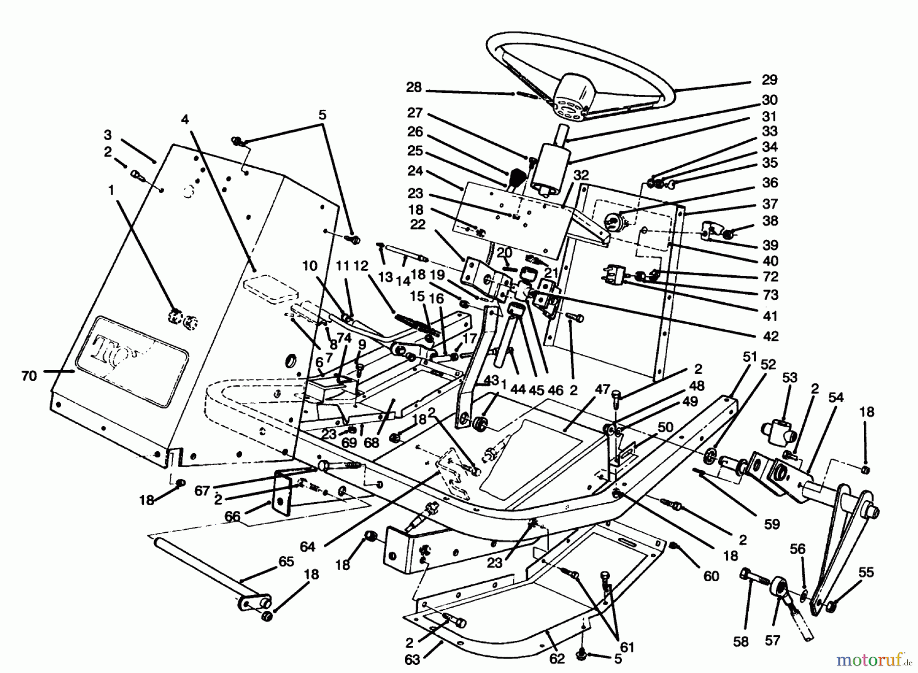
Hier finden Sie die Ersatzteilzeichnung für Toro Neu Mowers, Lawn & Garden Tractor Seite 1 30610 (120) - Toro Proline 120, 1995 (591300-599999) FRAME & STEERING ASSEMBLY. Wählen Sie das benötigte Ersatzteil aus der Ersatzteilliste Ihres Toro Gerätes aus und bestellen Sie einfach online. Viele Toro Ersatzteile halten wir ständig in unserem Lager für Sie bereit.


Qualitätsmanagement
Informieren Sie uns, wenn Sie einen Fehler gefunden haben.






