Toro 22-17KE01 (257-H) - 257-H Tractor, 1988 AUTOMATIC TRANSMISSION Ersatzteile
AUTOMATIC TRANSMISSION 22-17KE01 (257-H) - Toro 257-H Tractor, 1988

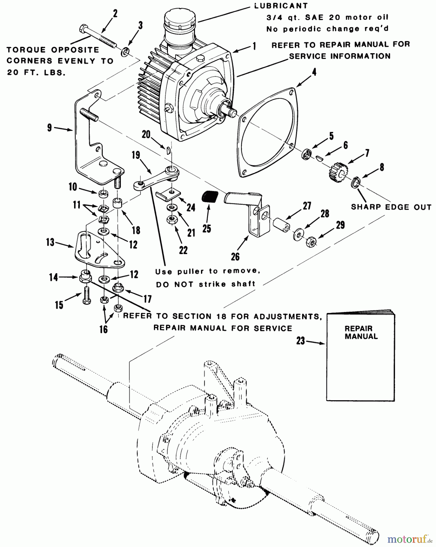
Hier finden Sie die Ersatzteilzeichnung für Toro Neu Mowers, Lawn & Garden Tractor Seite 1 22-17KE01 (257-H) - Toro 257-H Tractor, 1988 AUTOMATIC TRANSMISSION. Wählen Sie das benötigte Ersatzteil aus der Ersatzteilliste Ihres Toro Gerätes aus und bestellen Sie einfach online. Viele Toro Ersatzteile halten wir ständig in unserem Lager für Sie bereit.





