Toro 21-12K801 (312-8) - 312-8 Garden Tractor, 1985 TRANSAXLE-300/400 SERIES Ersatzteile
TRANSAXLE-300/400 SERIES 21-12K801 (312-8) - Toro 312-8 Garden Tractor, 1985

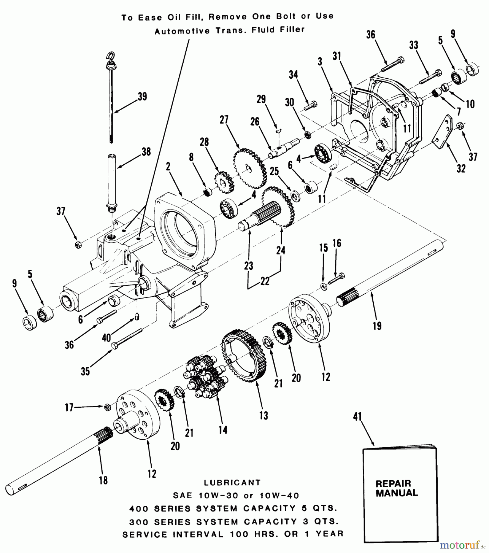
Hier finden Sie die Ersatzteilzeichnung für Toro Neu Mowers, Lawn & Garden Tractor Seite 1 21-12K801 (312-8) - Toro 312-8 Garden Tractor, 1985 TRANSAXLE-300/400 SERIES. Wählen Sie das benötigte Ersatzteil aus der Ersatzteilliste Ihres Toro Gerätes aus und bestellen Sie einfach online. Viele Toro Ersatzteile halten wir ständig in unserem Lager für Sie bereit.





