Toro 21-08K801 (308-8) - 308-8 Tractor, 1986 AUTOMATIC TRANSMISSION-400 SERIES Ersatzteile
AUTOMATIC TRANSMISSION-400 SERIES 21-08K801 (308-8) - Toro 308-8 Tractor, 1986

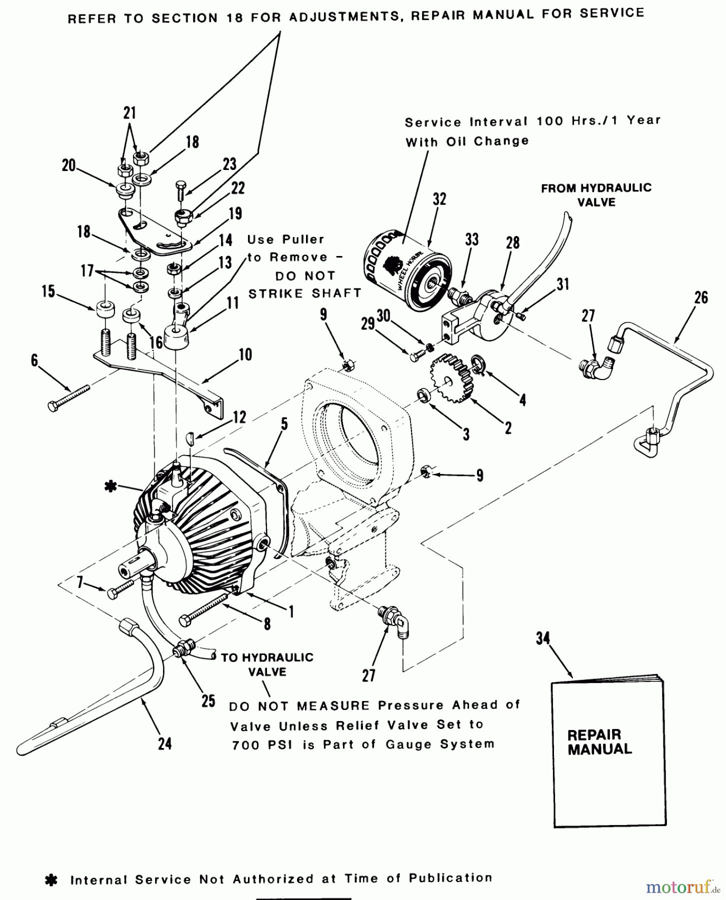
Hier finden Sie die Ersatzteilzeichnung für Toro Neu Mowers, Lawn & Garden Tractor Seite 1 21-08K801 (308-8) - Toro 308-8 Tractor, 1986 AUTOMATIC TRANSMISSION-400 SERIES. Wählen Sie das benötigte Ersatzteil aus der Ersatzteilliste Ihres Toro Gerätes aus und bestellen Sie einfach online. Viele Toro Ersatzteile halten wir ständig in unserem Lager für Sie bereit.





