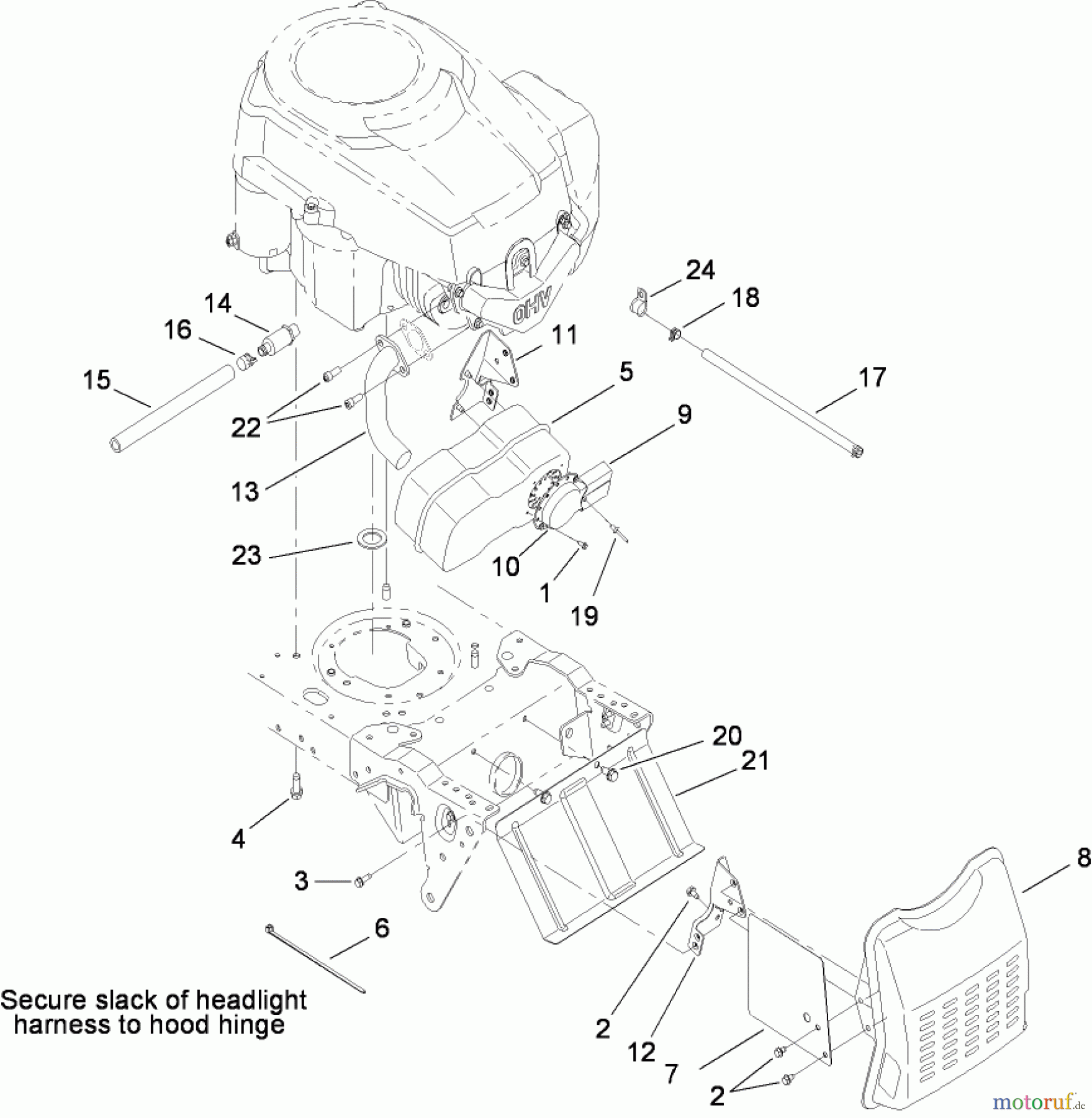
Toro 13BX60RG544 (LX425) - LX425 Lawn Tractor, 2007 (SN 1E237H10145-) MUFFLER ASSEMBLY Ersatzteile
MUFFLER ASSEMBLY 13BX60RG544 (LX425) - Toro LX425 Lawn Tractor, 2007 (SN 1E237H10145-)

Hier finden Sie die Ersatzteilzeichnung für Toro Neu Mowers, Lawn & Garden Tractor Seite 1 13BX60RG544 (LX425) - Toro LX425 Lawn Tractor, 2007 (SN 1E237H10145-) MUFFLER ASSEMBLY. Wählen Sie das benötigte Ersatzteil aus der Ersatzteilliste Ihres Toro Gerätes aus und bestellen Sie einfach online. Viele Toro Ersatzteile halten wir ständig in unserem Lager für Sie bereit.


Qualitätsmanagement
Informieren Sie uns, wenn Sie einen Fehler gefunden haben.

